E
EPC Data

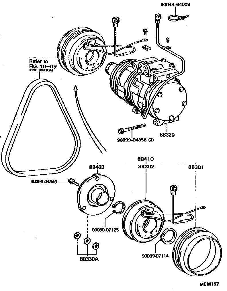
HEATING & AIR CONDITIONING - COMPRESSOR

Parts diagram
1605
88301ROTOR SUB-ASSY, MAGNET CLUTCH
main88412-20090i198910-199007
main88412-32030i198808-199007
88302STATOR SUB-ASSY, MAGNET CLUTCH
main88411-32021i198910-199007
main88411-32031i198808-198902
main88411-32050i198902-199007
88320COMPRESSOR ASSY, COOLER
main88320-32080i198808-198905
main88320-32091i198808-199007
88330AWASHER (FOR MAGNET CLUTCH)
main88335-14020i198808-198905
88403HUB SUB-ASSY, MAGNET CLUTCH
main88403-16011i198905-198910
88410CLUTCH ASSY, MAGNET
main88410-32030i198905-199007
main88410-32040i198808-198902
main88410-32050i198902-199007
9004464009
9009904349
9009904356
9009907114
9009907125

12 parts on this diagram · 3 diagrams in section

HEATING & AIR CONDITIONING - COMPRESSOR — Toyota Parts Diagram with OEM Numbers & Prices | EPC Data