E
EPC Data

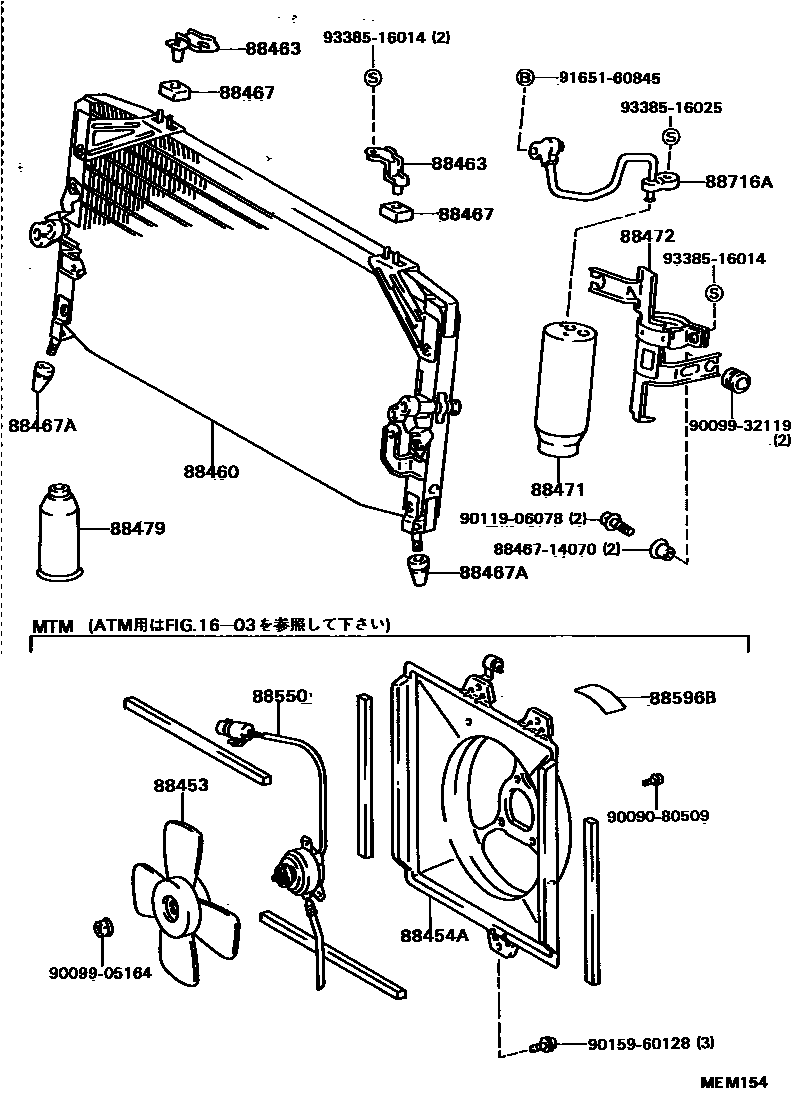
HEATING & AIR CONDITIONING - COOLER PIPING

Parts diagram
88453FAN, COOLING (FOR CONDENSER)
main16361-64040i198808-199007
main88453-12050i198808-199007
FRONT,NO.2
main88453-20030i198808-199007
FRONT,NO.1
main88453-32030i198808-199007
main88453-32040i198808-199007
REAR
88454ASHROUD, FAN
main16712-64031i198808-199007
main88454-32041i198905-199007
main88454-32050i198808-199007
88460CONDENSER ASSY, COOLER
main88460-32070i198808-199007
main88460-32080i198808-199007
main88460-32090i198808-199007
main88460-32120i198808-199007
main88460-32130i198808-199007
88463BRACKET, COOLER CONDENSER, NO.1
main88463-32021×2i198905-199007
88467CUSHION, COOLER CONDENSER, NO.1
main88467-32030×2i198808-198905
88467ACUSHION, COOLER CONDENSER, NO.2
main88467-32020×2i198808-199007
88471TANK, RECEIVER AIR CONDITIONER
main88471-10030i198905-199007
88472BRACKET, RECEIVER TANK, NO.1
main88473-32020i198905-199007
main88473-32030i198906-199007
88479FREON GAS, AIR CONDITIONER (DRUM, COOLER REFRIGERANT)
main90986-02001×2i198910-199007
main90986-02004×2i198910-199007
88550MOTOR ASSY, BLOWER (FOR CONDENSER)
main16363-64021i198808-199007
main88550-12120i198808-199007
FRONT,NO.2
main88550-20040i198808-199007
FRONT,NO.1
main88550-32050i198808-198905
main88550-32060i198808-199007
REAR
main88550-32070i198910-199007
88596BPLATE, CAUTION, NO.1
main88596-14010i198808-199007
main88596-24010i198905-199007
88716APIPE, COOLER REFRIGERANT LIQUID, A
main88716-32230i198808-199007
8846714070CUSHION, COOLER CONDENSER, NO.1
9009080509
9009905164
9009932119
9011906078
9015960128
9165160845
9338516014
9338516025

21 parts on this diagram · 7 diagrams in section

HEATING & AIR CONDITIONING - COOLER PIPING — Toyota Parts Diagram with OEM Numbers & Prices | EPC Data