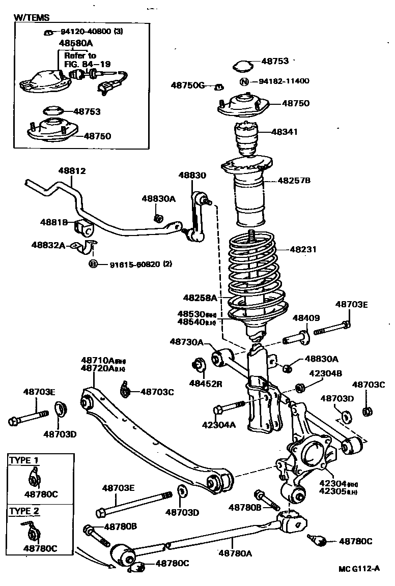
REAR SPRING & SHOCK ABSORBER

42304ABOLT (FOR REAR AXLE CARRIER)
42304BNUT (FOR REAR AXLE CARRIER)
48231SPRING, COIL, REAR
48257BINSULATOR, REAR COIL SPRING, UPPER
48258AINSULATOR, REAR COIL SPRING, LOWER
48341BUMPER, REAR SPRING
48409CAM SUB-ASSY, REAR SUSPENSION TOE ADJUST
48452RPLATE, REAR SUSPENSION TOE ADJUST, NO.2
48580ACAP ASSY, SHOCK ABSORBER
48703CNUT(FOR REAR SUSPENSION ARM)
BODY SIDE
CARRIER SIDE
48703DWASHER(FOR REAR SUSPENSION ARM)
CARRIER SIDE
BODY SIDE
48730AARM ASSY, REAR SUSPENSION, NO.2
48750SUPPORT ASSY, REAR SUSPENSION
48750GNUT(FOR REAR SUSPENSION SUPPORT)
48753COVER, REAR SUSPENSION SUPPORT
48780AROD ASSY, STRUT, REAR
48780BBOLT(FOR STRUT ROD)
48780CNUT(FOR STRUT ROD)
CARRIER SIDE
BODY SIDE(TYPE 1)
BODY SIDE(TYPE 2)
48812BAR, STABILIZER, REAR
48830ANUT(FOR REAR STABILIZER LINK)
48832ABRACKET, REAR STABILIZER BAR, NO.1
8419
9161560820
main91615-60820
9412040800
main94120-40800
9418211400
main94182-11400
34 parts on this diagram · 2 diagrams in section