E
EPC Data

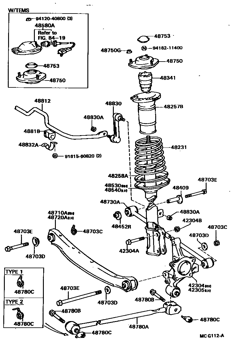
REAR SPRING & SHOCK ABSORBER

Parts diagram
42304CARRIER SUB-ASSY, REAR AXLE, RH
main42304-20040i198808-199007
main42304-32020i198808-199007
main42304-32030i198808-199007
42304ABOLT (FOR REAR AXLE CARRIER)
main90105-15001×2i198808-199007
42304BNUT (FOR REAR AXLE CARRIER)
main90179-15001×2i198808-199007
42305CARRIER SUB-ASSY, REAR AXLE, LH
main42305-20040i198808-199007
main42305-32020i198808-199007
main42305-32030i198808-199007
48231SPRING, COIL, REAR
main48231-32230×2i198808-199007
main48231-32260×2i198808-199007
main48231-32380×2i198808-199007
main48231-32400×2i198808-199007
main48231-32420×2i198808-199007
main48231-32670×2i198808-199007
48257BINSULATOR, REAR COIL SPRING, UPPER
main48257-32030×2i198808-199007
48258AINSULATOR, REAR COIL SPRING, LOWER
main48258-32010×2i198808-199007
48341BUMPER, REAR SPRING
main48341-20100×2i198808-199007
main48341-32030×2i198808-199007
48409CAM SUB-ASSY, REAR SUSPENSION TOE ADJUST
main48409-20030×2i198808-199007
main48409-32020×2i198808-199007
48452RPLATE, REAR SUSPENSION TOE ADJUST, NO.2
main48452-20010×2i198808-199007
main48452-32020×2i198808-199007
48530ABSORBER ASSY, SHOCK, REAR RH
main48530-32060i198808-199007
main48530-32070i198808-199007
main48530-32090i198808-199007
main48530-32140i198808-199007
main48530-32200i198808-199007
48540ABSORBER ASSY, SHOCK, REAR LH
main48540-32060i198808-199007
main48540-32070i198808-199007
main48540-32090i198808-199007
main48540-32140i198808-199007
main48540-32200i198808-199007
48580ACAP ASSY, SHOCK ABSORBER
main48580-32010×2i198808-199007
48703CNUT(FOR REAR SUSPENSION ARM)
main90170-14006×4i198808-199007
main90179-12063×2i198808-199007
BODY SIDE
main90179-14019×2i198808-199007
CARRIER SIDE
48703DWASHER(FOR REAR SUSPENSION ARM)
main90201-14017×4i198808-198906
CARRIER SIDE
main90209-13005×2i198808-199007
main90209-13008×2i198808-198906
BODY SIDE
48703EBOLT(FOR REAR SUSPENSION ARM)
main90105-12132×2i198808-199007
main90105-12159×2i198808-198906
main90105-14036×2i198808-199007
main90109-12034×2i198906-199007
main90119-12083×2i198808-199007
main90119-12126×2i198808-199007
main90119-14024×4i198808-199007
48710AARM ASSY, REAR SUSPENSION, NO.1 RH
main48710-20060i198808-199007
main48710-20090i198808-199007
48720AARM ASSY, REAR SUSPENSION, NO.1 LH
main48710-20090i198808-199007
main48720-20050i198808-199007
48730AARM ASSY, REAR SUSPENSION, NO.2
main48730-20050×2i198808-199007
main48730-32020×2i198808-199007
48750SUPPORT ASSY, REAR SUSPENSION
main48750-20040×2i198808-199007
main48750-32040×2i198808-199007
main48750-32060×2i198808-199007
48750GNUT(FOR REAR SUSPENSION SUPPORT)
main90179-08122×6i198808-199007
48753COVER, REAR SUSPENSION SUPPORT
main48753-16010×2i198808-199007
main48753-32030×2i198808-199007
48780AROD ASSY, STRUT, REAR
main48780-20030×2i198808-199007
main48780-32020×2i198808-199007
48780BBOLT(FOR STRUT ROD)
main90119-12131×4i198808-199007
48780CNUT(FOR STRUT ROD)
main90179-12062×2i198808-199007
CARRIER SIDE
main90179-12063×2i198808-199007
BODY SIDE(TYPE 1)
main90179-12065×2i198808-199007
BODY SIDE(TYPE 2)
48812BAR, STABILIZER, REAR
main48812-32160i198808-199007
main48812-32190i198808-199007
main48812-32230i198808-199007
48818BUSH, STABILIZER, REAR
main48818-20080×2i198808-199007
main48818-20100×2i198808-199007
main48818-20120×2i198808-199007
48830LINK ASSY, REAR STABILIZER
main48830-20010×2i198808-199007
main48830-32010×2i198808-199007
48830ANUT(FOR REAR STABILIZER LINK)
main90179-10054×4i198808-199007
48832ABRACKET, REAR STABILIZER BAR, NO.1
main48832-20020×2i198808-199007
main48832-20030×2i198808-199007
main48832-32020×2i198808-199007
8419
9161560820
9412040800
9418211400

34 parts on this diagram · 2 diagrams in section

REAR SPRING & SHOCK ABSORBER — Toyota Parts Diagram with OEM Numbers & Prices | EPC Data