E
EPC Data

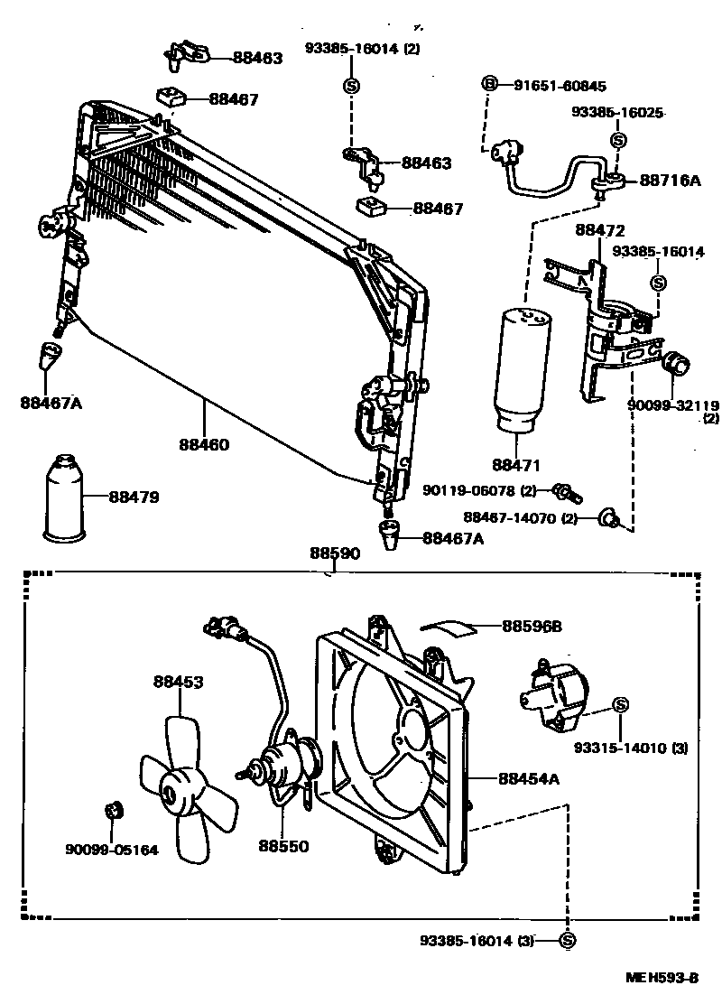
HEATING & AIR CONDITIONING - COOLER PIPING

Parts diagram
88453FAN, COOLING (FOR CONDENSER)
main16361-64040i198608-198808
main88453-32030i198608-198808
main88453-32040i198704-198808
88454ASHROUD, FAN
main16712-64031i198608-198808
main88454-32040i198608-198808
main88454-32050i198704-198808
88460CONDENSER ASSY, COOLER
main88460-32050i198704-198710
main88460-32070i198712-198808
main88460-32080i198712-198808
main88460-32090i198710-198808
88463BRACKET, COOLER CONDENSER, NO.1
main88463-32020×2i198712-198808
88467CUSHION, COOLER CONDENSER, NO.1
main88467-32030×2i198608-198710
88467ACUSHION, COOLER CONDENSER, NO.2
main88467-32020×2i198712-198808
88471TANK, RECEIVER AIR CONDITIONER
main88471-10030i198608-198710
88472BRACKET, RECEIVER TANK, NO.1
main88473-32020i198608-198710
88479FREON GAS, AIR CONDITIONER (DRUM, COOLER REFRIGERANT)
main90986-02001×2i198712-198808
88550MOTOR ASSY, BLOWER (FOR CONDENSER)
main16363-64021i198608-198808
main88550-32050i198608-198808
main88550-32060i198704-198808
88590BLOWER ASSY, W/SHROUD
main88590-32090i198712-198808
main88590-32100i198712-198808
main88590-32110i198704-198808
88596BPLATE, CAUTION, NO.1
main88596-14010i198608-198712
main88596-24010i198608-198808
88716APIPE, COOLER REFRIGERANT LIQUID, A
main88716-32230i198710-198712
8846714070CUSHION, COOLER CONDENSER, NO.1
9009905164
9009932119
9011906078
9165160845
9331514010
9338516014
9338516025

21 parts on this diagram · 6 diagrams in section

HEATING & AIR CONDITIONING - COOLER PIPING — Toyota Parts Diagram with OEM Numbers & Prices | EPC Data