E
EPC Data

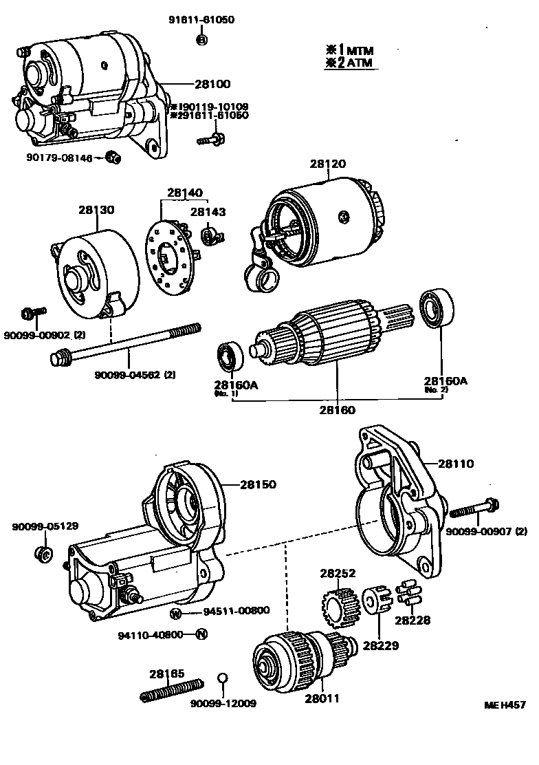
STARTER

Parts diagram
28011CLUTCH SUB-ASSY, STARTER
main28011-26042i198608-198710
12V 1.0KW
main28011-64010i198710-198808
12V 1.4KW
main28011-64020i198710-198808
12V 2.0KW
main28011-64030i198710-198808
12V 2.5KW
main28011-74010i198710-198805
12V 1.0KW
main28011-74011i198805-198808
12V 1.0KW
28100STARTER ASSY
main28100-63020i198710-198808
main28100-63050i198608-198710
main28100-64020i198608-198710
main28100-64070i198608-198710
main28100-64080i198608-198710
main28100-74010i198608-198710
main28100-74011i198805-198808
28110HOUSING ASSY, STARTER DRIVE
main28110-63020i198608-198710
12V 1.0KW
main28110-63050i198710-198808
12V 1.0KW
main28110-64070i198608-198710
12V 1.4KW
main28110-74010i198710-198808
12V 1.0KW
main28115-64020i198608-198710
12V 2.0KW
main28115-64030i198710-198808
12V 2.5KW
28120YOKE ASSY, STARTER
main28120-15090i198710-198808
12V 1.4KW
main28120-26071i198608-198710
12V 1.0KW
main28120-56081i198608-198710
12V 2.5KW
main28120-64020i198710-198808
12V 2.0KW
28130FRAME ASSY, STARTER COMMUTATOR END
main28130-13010i198608-198710
12V 1.0KW
main28130-15090i198710-198808
12V 1.4KW
main28130-63020i198710-198808
12V 1.0KW
main28130-64080i198710-198808
12V 2.5KW
main28130-74010i198608-198710
12V 1.0KW
28140HOLDER ASSY, STARTER BRUSH
main28140-15090i198710-198808
12V 1.4KW
main28140-26070i198608-198710
12V 1.0KW
main28140-54070i198608-198710
12V 2.0KW
main28140-74010i198608-198710
12V 1.0KW
main28140-77090i198710-198808
12V 2.5KW
28143SPRING, STARTER BRUSH
main90099-17112×4i198710-198808
12V 1.0KW,1.4KW
main90099-17115×4i198608-198710
12V 2.0KW
28150SWITCH ASSY, MAGNET STARTER
main28150-63021i198608-198710
12V 1.0KW
main28150-63050i198608-198710
12V 1.0KW
main28150-64020i198608-198710
12V 2.0KW
main28150-64030i198710-198808
12V 2.5KW
main28150-64070i198608-198710
12V 1.4KW
main28150-74010i198710-198808
12V 1.0KW
28160ARMATURE ASSY, STARTER
main28160-15090i198710-198808
12V 1.4KW
main28160-26070i198608-198710
12V 1.0KW
main28160-47040i198608-198710
12V 2.5KW
main28160-54070i198710-198808
12V 2.0KW
28160ABEARING, STARTER ARMATURE
main28253-45020i198710-198808
12V 1.0KW,NO.1
main28253-54070i198608-198710
12V 2.0KW,NO.1
main90099-10107i198608-198710
12V 2.5KW,NO.2
main90099-10113i198608-198710
12V 1.0KW,NO.2
main90099-10119i198608-198710
12V 2.5KW,NO.1
main90099-10131i198608-198710
12V 2.0KW,NO.2
main90099-10143i198608-198710
12V 1.4KW,NO.2
main90099-10144i198608-198710
12V 1.4KW,NO.1
28165SPRING, STARTER MAGNET SWITCH RETURN
main28165-26040i198608-198710
12V 1.0KW,1.4KW,2.0KW
main28165-74010i198608-198710
12V 1.0KW
main28165-77090i198608-198710
12V 2.5KW
28228ROLLER, STARTER IDLE GEAR CLUTCH
main28228-26040×5i198608-198710
12V 1.0KW,1.4KW,2.0KW
main28228-56080×5i198710-198808
12V 2.5KW
28229RETAINER, STARTER IDLE GEAR
main28229-26040i198608-198710
12V 1.0KW,1.4KW,2.0KW
main28229-56080i198710-198808
12V 2.5KW
28252GEAR, STARTER IDLE
main28254-45020i198608-198710
12V 1.0KW
main28254-54070i198608-198710
12V 1.4KW,2.0KW
main28254-77090i198608-198710
12V 2.5KW
9009900902
9009900907
9009904562
9009905129
9009912009
9011910109
9017908146
9161161050
9411040800
9451100800

24 parts on this diagram · 6 diagrams in section

STARTER — Toyota Parts Diagram with OEM Numbers & Prices | EPC Data