E
EPC Data

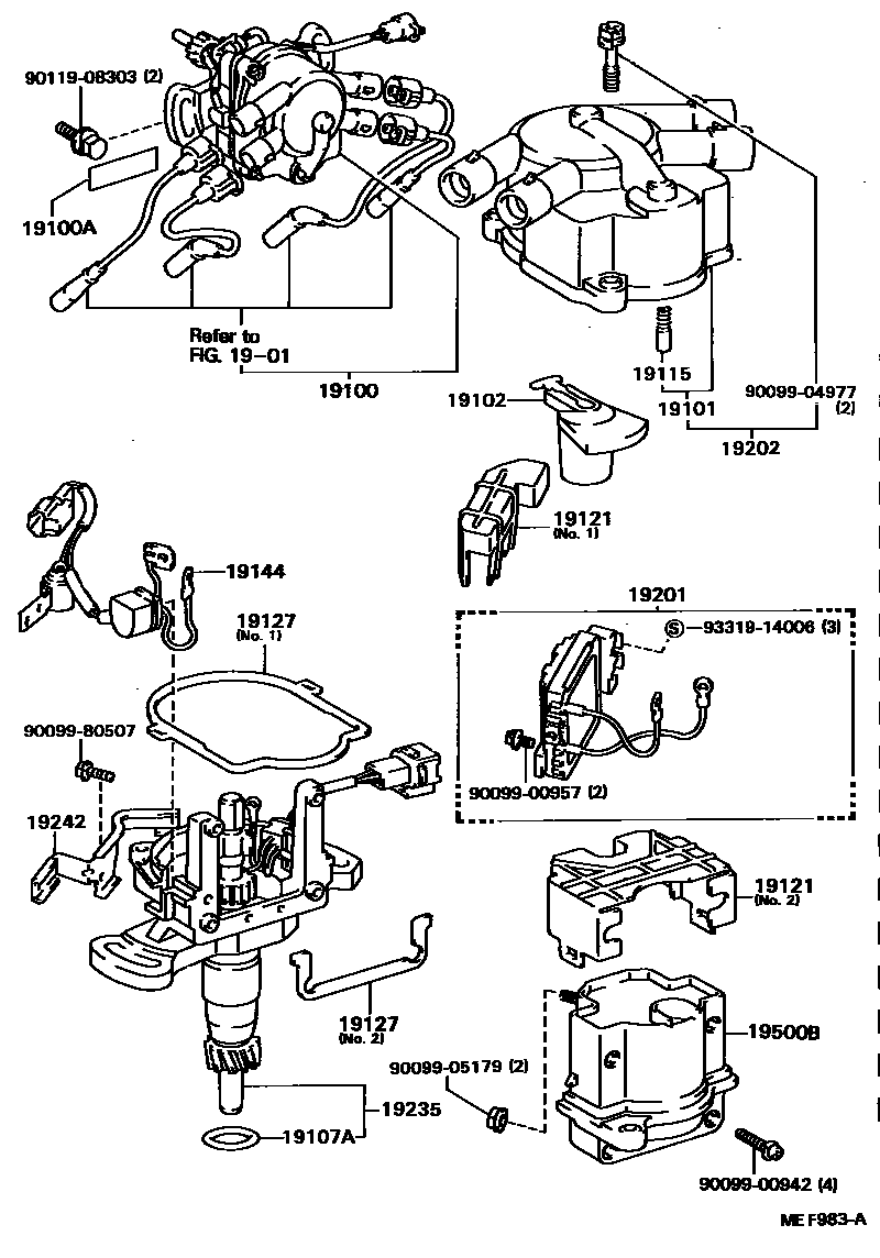
DISTRIBUTOR

Parts diagram
1901
19100DISTRIBUTOR ASSY
main19030-63100i198608-198808
main19040-74020i198608-198710
main19040-74021i198710-198808
main19100-62010i198704-198808
main19100-88361i198608-198808
19100ATAPE, SEALING
main90919-24004i198608-198808
19101CAP SUB-ASSY, DISTRIBUTOR
main19101-62010i198704-198808
main19101-63011i198608-198808
main19101-74010i198608-198808
main19101-88360i198608-198808
19102ROTOR SUB-ASSY, DISTRIBUTOR
main19102-11031i198608-198808
main19102-16040i198608-198808
main19102-62010i198704-198808
main19102-63010i198608-198808
19107ARING, O, DISTRIBUTOR HOUSING
main90099-14020i198608-198808
main90099-14089i198704-198808
main96711-35030i198608-198808
19115PIECE, DISTRIBUTOR CAP, CENTER
main19115-50010i198608-198808
main19115-63010i198608-198808
main19115-71010i198608-198705
19121COVER, DUST PROOF
main19121-16040i198608-198808
main19121-62010i198704-198710
NO.1
main19121-62010i198710-198808
main19121-62011i198710-198808
main19121-62011i198704-198710
NO.2
main19121-63040i198710-198808
main19121-63040i198608-198710
NO.2
main19121-63090i198710-198808
main19121-63090i198608-198710
NO.1
19127PACKING, DUST PROOF
main19127-15021i198608-198808
main19127-52020i198710-198808
main19127-52020i198704-198710
NO.1
main19127-62010i198704-198710
NO.2
main19127-62010i198710-198808
main19127-63010i198608-198710
NO.1
main19127-63010i198710-198808
main19127-63020i198608-198710
NO.2
main19127-63020i198710-198808
19144LEAD, DISTRIBUTOR BREAKER
main19144-63100i198608-198808
main19144-74020i198608-198808
19201IGNITER
main89620-20250i198608-198808
19202CAP KIT(FOR DISTRIBUTOR)
main19202-63010i198710-198808
19235HOUSING, DISTRIBUTOR
main19235-63100i198608-198808
main19235-74020i198608-198710
main19235-74040i198710-198808
19242CLAMP, CORD
main19242-62010i198704-198808
main19242-74010i198608-198808
main19242-74020i198608-198710
NO.1
main19242-74020i198710-198808
main19242-74030i198608-198710
NO.2
main19242-74030i198710-198808
main19242-88361i198608-198808
19500BCOIL ASSY, IGNITION
main90919-02135i198608-198808
9009900942
9009900957
9009904977
9009905179
9009980507
9011908303
9331914006

22 parts on this diagram · 4 diagrams in section

DISTRIBUTOR — Toyota Parts Diagram with OEM Numbers & Prices | EPC Data