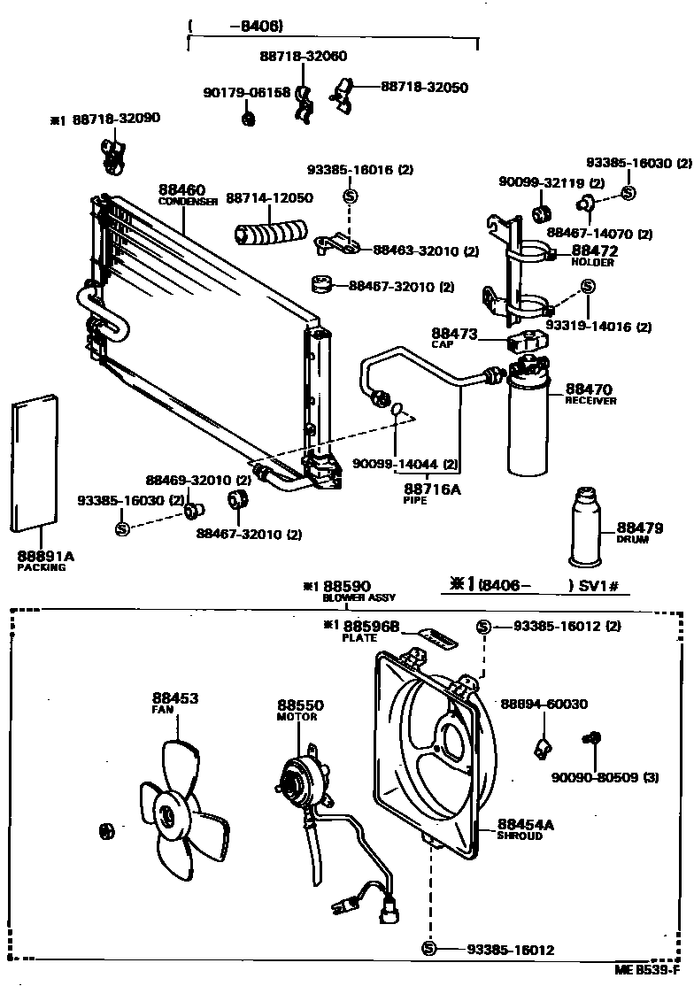
HEATING & AIR CONDITIONING - COOLER PIPING

88454ASHROUD, FAN
W/HEATER IDLE UP
88460CONDENSER ASSY, COOLER
88470RECEIVER & DRYER ASSY, COOLER
88472BRACKET, RECEIVER TANK, NO.1
88473CAP, COOLER RECEIVER TANK
88479FREON GAS, AIR CONDITIONER (DRUM, COOLER REFRIGERANT)
88550MOTOR ASSY, BLOWER (FOR CONDENSER)
88590BLOWER ASSY, W/SHROUD
88596BPLATE, CAUTION, NO.1
88716APIPE, COOLER REFRIGERANT LIQUID, A
88891APACKING A (FOR COOLER)
W/HEATER IDLE UP
8846332010BRACKET, COOLER CONDENSER, NO.1
main88463-32010
8846714070CUSHION, COOLER CONDENSER, NO.1
main88467-14070
8846732010CUSHION, COOLER CONDENSER, NO.1
main88467-32010
8846932010SWITCH, PRESSURE CONTROL
main88469-32010
8871412050HOSE, COOLER REFRIGERANT LIQUID, NO.1
main88714-12050
8871832050PIPE, COOLER REFRIGERANT SUCTION, NO.2
main88718-32050
8871832060PIPE, COOLER REFRIGERANT SUCTION, NO.2
main88718-32060
8871832090PIPE, COOLER REFRIGERANT SUCTION, NO.2
main88718-32090
8889460030
main88894-60030
9009080509
main90090-80509
9009914044
main90099-14044
9009932119
main90099-32119
9017906158
main90179-06158
9331914016
main93319-14016
9338516012
main93385-16012
9338516016
main93385-16016
9338516030
main93385-16030
29 parts on this diagram · 3 diagrams in section