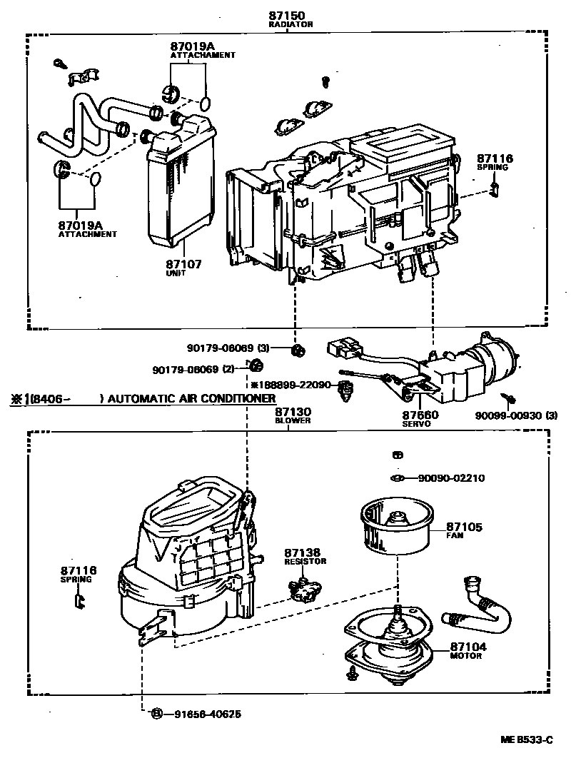
HEATING & AIR CONDITIONING - HEATER UNIT & BLOWER

87019AATTACHMENT, HEATER
87104MOTOR SUB-ASSY, HEATER BLOWER
COLD SPEC
87105FAN SUB-ASSY, HEATER BLOWER
87107UNIT SUB-ASSY, HEATER RADIATOR
COLD SPEC
87116SPRING, HEATER CASE FASTENING
87130BLOWER ASSY, HEATER, FRONT
COLD SPEC
87138RESISTOR, HEATER BLOWER
W/AUTOMATIC AIR CONDITIONER
87150RADIATOR ASSY, HEATER
COLD SPEC
87660SERVO ASSY, AIR CONDITIONER
W/AUTOMATIC AIR CONDITIONER
8889922090COVER, EVAPORATOR
main88899-22090
9009002210
main90090-02210
9009900930
main90099-00930
9017906069
main90179-06069
9165640625
main91656-40625
14 parts on this diagram · 1 diagram in section