E
EPC Data

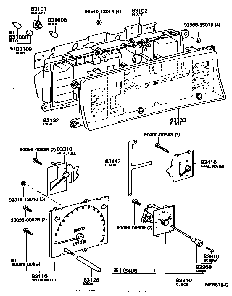
METER

Parts diagram
83100BBULB, COMBINATION METER, NO.1
main90981-11018×12i198203-198406
main99132-12034×14i198203-198607
83101SOCKET SUB-ASSY, COMBINATION METER BULB
main83101-12020i198412-198607
12V 3.4W,LONG
main83101-14030×14i198203-198607
12V 3.4W
main83101-14040×7i198210-198406
12V 1.4W,EXTRA
main83101-32010i198203-198406
12V 1.4W,LONG
83102PLATE SUB-ASSY, COMBINATION METER CIRCUIT, NO.1
main83247-32010i198203-198406
main83247-32030i198301-198406
EXTRA; SALOON
main83247-32051i198301-198406
EXTRA; SALOON
main83247-32070i198203-198406
main83247-32120i198308-198607
main83247-32270i198208-198406
main83247-32390i198308-198406
EXTRA; SALOON
main83247-32590i198406-198607
main83247-32730i198406-198607
W/TACHOMETER
main83247-32770i198406-198607
W/TACHOMETER
main83247-32890i198406-198412
W/DIGITAL SPEEDOMETER
83109BULB, COMBINATION METER, NO.2
main83109-24010×4i198203-198406
main83109-24020×2i198203-198406
main83109-24030×4i198406-198607
main83109-24040×2i198406-198412
83110SPEEDOMETER ASSY
main83110-32010i198203-198406
main83110-32020i198301-198406
EXTRA; SALOON
main83110-32080i198203-198406
main83110-32130i198308-198406
main83110-32190i198406-198607
W/TACHOMETER
main83110-32200i198406-198607
main83110-32210i198406-198607
main83110-32360i198406-198412
W/DIGITAL SPEEDOMETER
83128KNOB, TRIP COUNTER
main83128-14510i198301-198406
EXTRA; SALOON
main83128-32010i198203-198406
main83128-32030i198203-198412
83132CASE, COMBINATION METER
main83132-32010i198203-198406
main83132-32030i198210-198212
EXTRA
main83132-32050i198208-198406
main83132-32070i198301-198406
EXTRA; SALOON
main83132-32090i198203-198406
main83132-32250i198308-198406
main83132-32350i198308-198406
EXTRA; SALOON
main83132-32430i198406-198607
main83132-32490i198406-198607
main83132-32710i198406-198607
W/TACHOMETER
main83132-32750i198406-198607
W/TACHOMETER
main83132-32870i198406-198412
W/DIGITAL SPEEDOMETER
83133PLATE, COMBINATION METER, NO.1
main83133-32010i198203-198406
main83133-32030i198301-198406
EXTRA; SALOON
main83133-32050i198203-198406
main83133-32150i198406-198607
main83133-32170i198406-198607
W/TACHOMETER
main83133-32310i198412-198607
W/DIGITAL SPEEDOMETER
83142SHADE, COMBINATION METER LAMP
main83142-32010i198406-198607
83310GAGE ASSY, FUEL RECEIVER
main83243-32011i198203-198406
main83243-32030i198301-198406
EXTRA; SALOON
main83243-32130i198406-198607
main83243-32210i198406-198607
W/TACHOMETER
main83310-14080i198203-198209
main83310-14081i198209-198403
main83310-14082i198403-198406
main83310-14101i198406-198412
W/DIGITAL SPEEDOMETER
83410GAGE ASSY, WATER TEMPERATURE RECEIVER
main83244-32010i198203-198406
main83244-32030i198301-198406
EXTRA; SALOON
main83244-32130i198406-198607
main83244-32290i198406-198607
W/TACHOMETER
83909KNOB, CLOCK
main83909-14012i198203-198406
main83909-14200i198301-198406
EXTRA; SALOON
main83909-22180i198412-198607
W/DIGITAL SPEEDOMETER
83910CLOCK ASSY
main83910-14270i198203-198412
W/DIGITAL SPEEDOMETER
main83910-32010i198203-198406
main83910-32020i198210-198212
EXTRA
main83910-32050i198406-198607
83919SCREW, CLOCK
main83919-12230i198406-198607
W/TACHOMETER
main83919-14012i198203-198406
9009900909
9009900929
9009900939
9009900943
9009900954
9331513010
9354013014
9356855016

22 parts on this diagram · 5 diagrams in section

METER — Toyota Parts Diagram with OEM Numbers & Prices | EPC Data