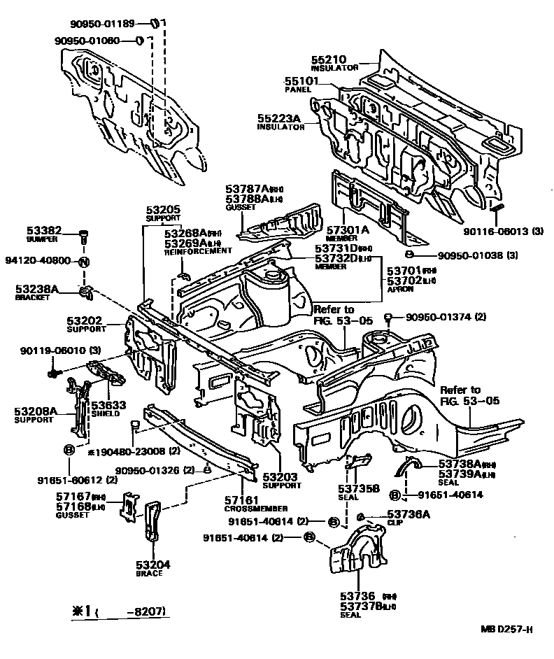
FRONT FENDER APRON & DASH PANEL

5305FLOOR SIDE MEMBER
53202SUPPORT SUB-ASSY, RADIATOR, RH
53203SUPPORT SUB-ASSY, RADIATOR, LH
COLD SPEC
53204BRACE SUB-ASSY, RADIATOR SUPPORT TO CROSSMEMBER
RH
LH
53205SUPPORT SUB-ASSY, RADIATOR, UPPER
53208ASUPPORT SUB-ASSY, HOOD LOCK
53238ABRACKET, HOOD BUMPER MOUNTING
53268AREINFORCEMENT, RADIATOR MOUNTING, RH
53269AREINFORCEMENT, RADIATOR MOUNTING, LH
53382BUMPER, HOOD, FRONT
53633SHIELD, HOOD LOCK CONTROL CABLE
53701APRON SUB-ASSY, FRONT FENDER, RH
53702APRON SUB-ASSY, FRONT FENDER, LH
53731DMEMBER, FRONT APRON TO COWL SIDE, UPPER RH
53732DMEMBER, FRONT APRON TO COWL SIDE, UPPER LH
53735BSEAL, FRONT FENDER APRON, UPPER
53736SEAL, FRONT FENDER APRON, RH
53736ACLIP(FOR FRONT FENDER APRON SEAL)
53737BSEAL, FRONT FENDER APRON, LH
53738ASEAL, FRONT FENDER APRON, REAR RH
53739ASEAL, FRONT FENDER APRON, REAR LH
53787AGUSSET, FRONT FENDER APRON, LOWER RH
53788AGUSSET, FRONT FENDER APRON, LOWER LH
55101PANEL SUB-ASSY, DASH
55210INSULATOR ASSY, DASH PANEL
55223AINSULATOR, DASH PANEL, OUTER
57161CROSSMEMBER, FRONT
W/*UB
W/P.P. BUMPER
57167GUSSET, FRONT CROSSMEMBER, UPPER RH
57168GUSSET, FRONT CROSSMEMBER, UPPER LH
57301AMEMBER SUB-ASSY, STEERING GEAR BOX SUPPORT
9011606013
main90116-06013
9011906010
main90119-06010
9048023008
main90480-23008
9095001038
main90950-01038
9095001060
main90950-01060
9095001189
main90950-01189
9095001326
main90950-01326
9095001374
main90950-01374
9165140614
main91651-40614
9165160612
main91651-60612
9412040800
main94120-40800
41 parts on this diagram · 2 diagrams in section