E
EPC Data

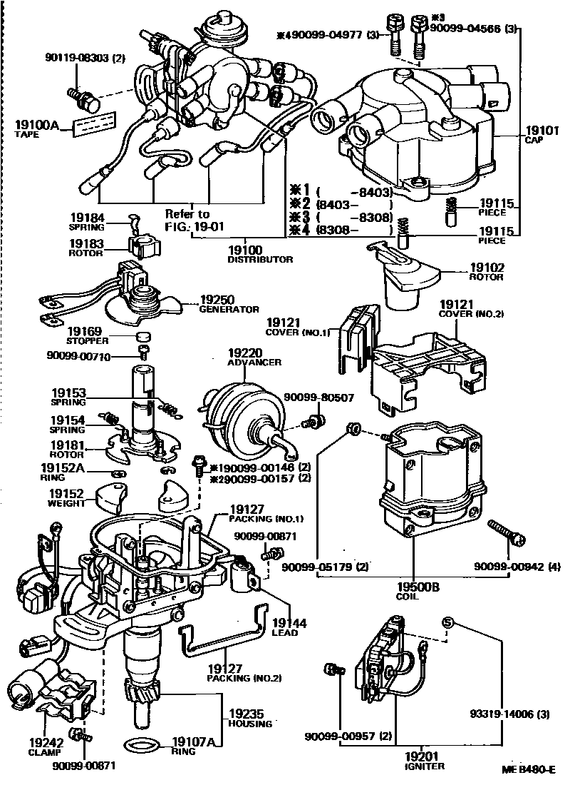
DISTRIBUTOR

Parts diagram
1901
19100DISTRIBUTOR ASSY
main19030-63020i198203-198211
main19030-63021i198211-198406
main19030-63030i198203-198406
main19030-63060i198406-198410
main19030-63070i198410-198508
main19030-63100i198508-198607
main19030-74010i198208-198607
main19100-88360i198406-198508
main19100-88361i198508-198607
19100ATAPE, SEALING
main90919-24004i198203-198607
19101CAP SUB-ASSY, DISTRIBUTOR
main19101-63010i198203-198308
main19101-63011i198308-198607
main19101-88360i198406-198607
19102ROTOR SUB-ASSY, DISTRIBUTOR
main19102-15021i198406-198507
main19102-16040i198507-198607
main19102-63010i198203-198607
19107ARING, O, DISTRIBUTOR HOUSING
main90099-14020i198203-198607
19115PIECE, DISTRIBUTOR CAP, CENTER
main19115-50010i198203-198607
main19115-63010i198308-198503
main19115-71010i198503-198607
19121COVER, DUST PROOF
main19121-16010i198406-198507
NO.1
main19121-16040i198406-198607
main19121-63010i198203-198607
NO.1
main19121-63020i198203-198211
NO.2
main19121-63030i198203-198406
NO.1
main19121-63040i198203-198607
NO.2
main19121-63090i198507-198607
NO.1
19127PACKING, DUST PROOF
main19127-15021i198406-198607
main19127-63010i198203-198607
NO.1
main19127-63020i198203-198607
NO.2
19144LEAD, DISTRIBUTOR BREAKER
main19144-63020i198203-198308
main19144-63030i198203-198308
main19144-63032i198308-198406
main19144-63100i198508-198607
main19144-74010i198308-198607
19152WEIGHT, GOVERNOR
main19152-35030i198208-198308
T=5
main19152-44170i198203-198308
main19152-44170i198208-198607
T=8
main19152-63010i198308-198406
main19152-63010i198308-198607
T=5
19152ARING, SNAP(FOR GOVERNOR WEIGHT)
main90099-07109i198203-198308
main90099-07122i198308-198607
19153SPRING, GOVERNOR, A
main19153-63020i198203-198308
main19153-63021i198211-198406
main19153-63023i198308-198406
main19153-74010i198208-198607
19154SPRING, GOVERNOR, B
main19153-74010i198208-198607
main19154-63020i198203-198308
main19154-63021i198211-198406
main19154-63023i198308-198406
19169STOPPER, CAM GREASE
main19169-32010i198203-198607
19181ROTOR, DISTRIBUTOR, SIGNAL
main19181-63020i198203-198211
main19181-63021i198211-198406
main19181-63030i198211-198406
main19181-74010i198208-198607
19183ROTOR, SIGNAL
main19183-63010i198203-198607
main19183-63030i198203-198406
19184SPRING, ROTOR SET
main19184-63010i198203-198607
19201IGNITER
main89620-14210i198203-198607
main89620-20190i198406-198410
main89620-20250i198508-198607
main89620-28030i198410-198508
main89620-32010i198203-198406
main89620-32020i198211-198406
19220ADVANCER ASSY, VACUUM, DISTRIBUTOR
main19220-63020i198203-198406
main19220-74010i198208-198607
19235HOUSING, DISTRIBUTOR
main19235-63010i198203-198308
main19235-63011i198308-198403
main19235-63013i198403-198406
main19235-63060i198406-198508
main19235-63100i198508-198607
main19235-74010i198208-198308
main19235-74011i198308-198403
main19235-74013i198403-198607
19242CLAMP, CORD
main19242-63020i198203-198607
main19242-74010i198508-198607
main19242-88300i198406-198508
main19242-88361i198508-198607
19250GENERATOR ASSY, SIGNAL
main19251-63010i198203-198308
main19251-63011i198308-198607
19500BCOIL ASSY, IGNITION
main90919-02135i198203-198607
main90919-02139i198203-198406
main90919-02157i198406-198410
9009900146
9009900157
9009900710
9009900871
9009900942
9009900957
9009904566
9009904977
9009905179
9009980507
9011908303
9331914006

36 parts on this diagram · 4 diagrams in section

DISTRIBUTOR — Toyota Parts Diagram with OEM Numbers & Prices | EPC Data