HEATING & AIR CONDITIONING - HEATER UNIT & BLOWER

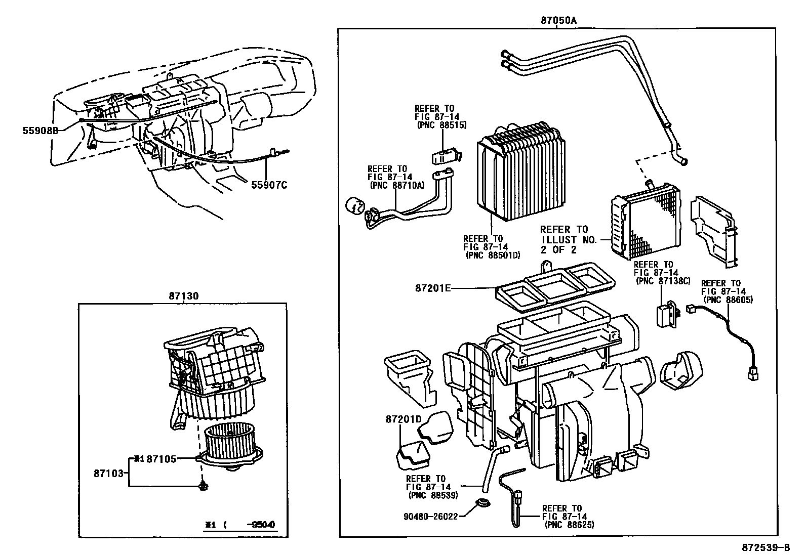
55907CCABLE SUB-ASSY, WATER VALVE CONTROL
55908BCABLE SUB-ASSY, AIR INLET DAMPER CONTROL
87050ARADIATOR ASSY, AIR CONDITIONER
87103MOTOR SUB-ASSY, HEATER BLOWER, W/FAN
87105FAN SUB-ASSY, HEATER BLOWER
87130BLOWER ASSY, HEATER, FRONT
8714HEATING & AIR CONDITIONING - COOLER UNIT
87201DDUCT SUB-ASSY, AIR
87201EDUCT SUB-ASSY, AIR, NO.2
9048026022
main90480-26022
10 parts on this diagram · 3 diagrams in section