E
EPC Data

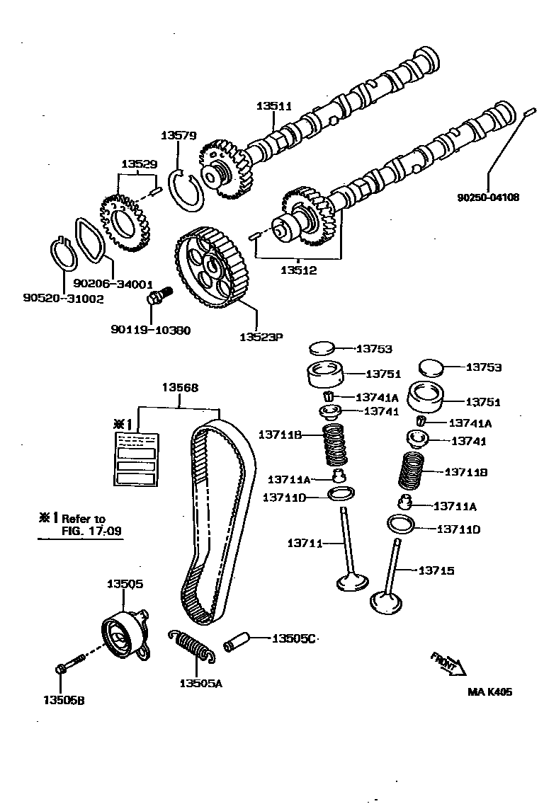
CAMSHAFT & VALVE

Parts diagram
13505IDLER SUB-ASSY, TIMING BELT, NO.1
main13505-11040i199211
main13505-15050i199601-199708
main13505-64011i199211-199901
main13505-64012i199901
main13505-74011i199211
main13505-88480i199502-199708
13505ASPRING, TENSION(FOR IDLER)
main90506-15003i199211
main90506-16065i199601-199708
main90507-17003i199908
main90507-18006i199211
main90507-18030i199211-199708
13505BBOLT, FLANGE (FOR IDLER)
main90105-10334i199601-199708
13505CPIN(FOR IDLER SPRING TENSION)
main13575-64010i199211
main90249-06006i199601-199708
13511CAMSHAFT
main13501-11020i199211-199508
main13501-11050i199508
main13501-15040i199601-199708
main13501-74050i199211
main13501-88460i199502-199708
main13501-88480i199502-199708
main13511-64071i199211-199805
main13511-64090i199601-199708
main13511-64120i199805
13512CAMSHAFT, NO.2
main13502-11010i199211-199508
main13502-11010i199607-200104
main13502-11050i199508-199607
main13502-11050i199607-200104
main13502-15030i199601-199708
main13502-74030i199211
main13502-88460i199502-199708
13523PPULLEY, CAMSHAFT TIMING
main13051-64012i199211
main13523-11020i199211
main13523-16070i199601-199708
main13523-74020i199211-199609
main13523-74050i199609-199708
main13523-88301i199502-199708
13529GEAR, CAMSHAFT SUB
main13529-15900i199601-199708
main13529-74900i199211
13568BELT, TIMING
main13568-19056i199601-199708
main13568-19116i199211
main13568-69066i199211-199812
main13568-69067i199812-199908
main13568-79025i199211-199404
main13568-79095i199404-199704
main13568-79105i199502-199708
main13568-79225i199704
13579WASHER, CAMSHAFT TIMING GEAR BOLT
main13579-15010i199601-199708
main13579-74010i199211
13711VALVE, INTAKE
main13711-11011i199211-199401
main13711-11012i199401
main13711-15090i199601-199708
main13711-64020i199211
main13711-64030i199601-199708
main13711-74080i199211
main13711-88460i199502-199606
main13711-88461i199606-199708
13711ASEAL OR RING, O(FOR VALVE STEM OIL)
main90913-02066i199211-199703
main90913-02086i199211
INTAKE SIDE
main90913-02088i199703-200010
main90913-02088i199211
EXHAUST SIDE
main90913-02089i199601-199708
EXHAUST SIDE
main90913-02090i199211
main90913-02090i199601-199708
INTAKE SIDE
main90913-02094i199211-199511
main90913-02103i200010
main90913-02104i199502-199708
main90913-02109i199511-199601
main90913-02110i199601-199704
main90913-02116i199704
13711BSPRING, COMPRESSION(FOR INNER)
main90501-29039i199601-199708
main90501-35022i199606-199708
main90501-35022i199502-199606
INTAKE SIDE
main90501-35023i199502-199606
EXHAUST SIDE
main90501-43003i199211
main90504-37002i199211
13711DWASHER, PLATE(FOR VALVE SPRING SEAT)
main90201-16010i199211-199705
main90201-16020i199211
main90201-16031i199601-199708
main90201-22010i199705
13715VALVE, EXHAUST
main13715-11030i199211
main13715-15070i199601-199708
main13715-64030i199211
main13715-64040i199601-199708
main13715-74080i199211
main13715-88460i199502-199708
13741RETAINER, VALVE SPRING
main13741-15020i199601-199708
main13741-16010i199211
main13741-43010i199211
main13741-50020i199211
main13741-88460i199502-199708
13741ALOCK, VALVE SPRING RETAINER
main90913-03014i199211
main90913-03021i199211-199708
13751LIFTER, VALVE
main13751-11010i199409
main13751-16010i199211-199409
main13751-64011i199211
main13751-74020i199211-199708
main13751-88460i199502-199708
13753SHIM, VALVE ADJUSTING
main13753-16020i199211
main13753-16040i199211
main13753-16060i199211-200111
main13753-16080i199211
main13753-16100i199211-200111
main13753-16120i199211
main13753-16140i199211-200111
main13753-16160i199211
main13753-16180i199211-200111
main13753-16200i199211
main13753-16220i199211-200111
main13753-16240i199211
main13753-16260i199211-200111
main13753-16280i199211
main13753-16300i199211-200111
main13753-16320i199211
main13753-16340i199211
main13753-16351i200111
main13753-16401i200111
main13753-16451i200111
main13753-16501i200111
main13753-16551i200111
main13753-16601i200111
main13753-16651i200111
main13753-64010i199211
main13753-64030i199211
main13753-64050i199211
main13753-64070i199211
main13753-64090i199211
main13753-64110i199211
main13753-64130i199211
main13753-64150i199211
main13753-64170i199211
main13753-64190i199211
main13753-64210i199211
main13753-64230i199211
main13753-64250i199211
main13753-64270i199211
main13753-64290i199211
main13753-64310i199211
main13753-64330i199211
main13753-64350i199211
main13753-64370i199211
main13753-64390i199211
main13753-64410i199211
main13753-64430i199211
main13753-64450i199211
main13753-64470i199211
main13753-64490i199211
main13753-74010i199211-199708
main13753-74030i199211-199708
main13753-74050i199211-199708
main13753-74070i199211-199708
main13753-74090i199211-199708
main13753-74110i199211-199708
main13753-74130i199211-199708
main13753-74150i199211-199708
main13753-74170i199211-199708
main13753-74190i199211-199708
main13753-74210i199211-199708
main13753-74230i199211-199708
main13753-74250i199211-199708
main13753-74270i199211-199708
main13753-74290i199211-199708
main13753-74310i199211-199708
main13753-74330i199211-199708
main13753-88003i199502-199708
main13753-88053i199502-199708
main13753-88103i199502-199708
main13753-88153i199502-199708
main13753-88203i199502-199708
main13753-88253i199502-199708
main13753-88303i199502-199708
main13753-88353i199502-199708
main13753-88403i199502-199708
main13753-88453i199502-199708
main13753-88503i199502-199708
main13753-88553i199502-199708
main13753-88603i199502-199708
main13753-88653i199502-199708
main13753-88703i199502-199708
main13753-88753i199502-199708
main13753-88803i199502-199708
main13753-88853i199502-199708
main13753-88893i199502-199708
1709
9011910380
9020634001
9025004108
9052031002

24 parts on this diagram · 5 diagrams in section

CAMSHAFT & VALVE — Toyota Parts Diagram with OEM Numbers & Prices | EPC Data