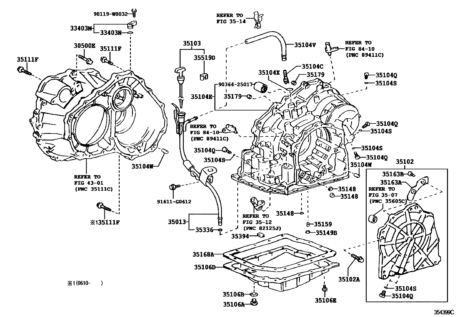
TRANSMISSION CASE & OIL PAN (ATM)

30500EBOLT(FOR TRANSAXLE & ENGINE SETTING)
33403MCOVER SUB-ASSY, SPEEDOMETER DRIVEN HOLE (ATM)
33403NRING, O (FOR ATM SPEEDOMETER DRIVEN HOLE COVER)
35013TUBE SUB-ASSY, TRANSMISSION OIL FILLER
3507BRAKE BAND & MULTIPLE DISC CLUTCH (ATM)
35102COVER SUB-ASSY, TRANSAXLE REAR
35102ABOLT (FOR TRANSAXLE REAR COVER SETTING)
35103GAGE SUB-ASSY, TRANSMISSION OIL LEVEL
35104CPLUG, BREATHER, NO.2 (ATM)
35104ECASE SUB-ASSY, AUTOMATIC TRANSAXLE
35104QPLUG, NO.1 (FOR TRANSAXLE CASE)
35104SRING, O (FOR TRANSAXLE CASE PLUG NO.1)
35104VHOSE (FOR BREATHER PLUG)
35104WPIN, STRAIGHT (FOR TRANSAXLE CASE)
35104XRING, O (FOR BREATHER PLUG)
35106BGASKET, DRAIN PLUG (ATM)
35106DPAN SUB-ASSY, AUTOMATIC TRANSAXLE OIL
35106EBOLT (FOR TRANSAXLE OIL PAN)
35111FBOLT (FOR TRANSAXLE HOUSING & TRANSAXLE CASE SETTING)
3512VALVE BODY & OIL STRAINER (ATM)
3514OIL COOLER & TUBE (ATM)
35148GASKET, GOVERNOR APPLY, NO.1
35149BGASKET, TRANSAXLE CASE 2ND BRAKE
35163APLATE, TRANSAXLE REAR COVER
35163BSCREW, HEX LOBULAR(FOR TRANSAXLE REAR COVER PLATE)
35168AGASKET, AUTOMATIC TRANSAXLE OIL PAN
35179GASKET, OVERDRIVE BRAKE
35336RING, O (FOR TRANSMISSION OIL FILLER TUBE)
35394MAGNET, OIL CLEANER (FOR TRANSMISSION)
35519DLABEL, AUTOMATIC TRANSMISSION INFORMATION
4301FRONT AXLE HOUSING & DIFFERENTIAL
8410OVERDRIVE & ELECTRONIC CONTROLLED TRANSMISSION
90119W0032
main90119-W0032
9036425017
main90364-25017
91611G0612
main91611-G0612
37 parts on this diagram · 3 diagrams in section