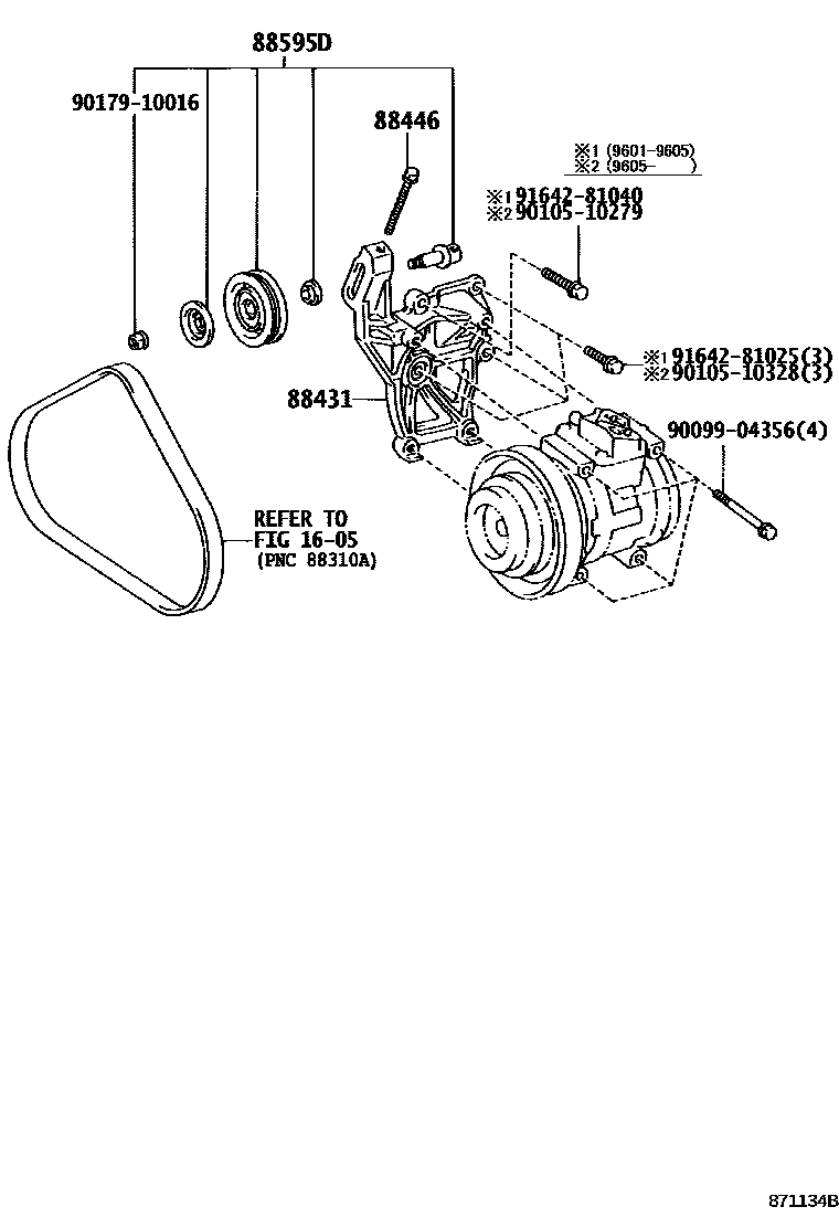
HEATING & AIR CONDITIONING - COMPRESSOR

1605
88431BRACKET, COMPRESSOR MOUNTING, NO.1
88595DPULLEY ASSY, IDLE
9009904356
main90099-04356
9010510279
main90105-10279
9010510328
main90105-10328
9017910016
main90179-10016
9164281025
main91642-81025
9164281040
main91642-81040
10 parts on this diagram · 5 diagrams in section