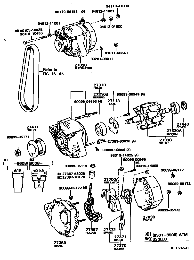
ALTERNATOR

1605
27039COVER, ALTERNATOR REAR END
12V 55A
27113PLATE, BEARING RETAINER, ALTERNATOR
12V 55A,60A
12V 55A,60A
12V 60A
12V 55A,60A
12V 55A
12V 60A
27310FRAME ASSY, DRIVE END, ALTERNATOR
12V 50A
12V 55A
12V 55A
12V 55A,60A
12V 55A,60A
12V 55A
12V 55A,60A
12V 60A
12V 60A
27310BBEARING(FOR ALTERNATOR DRIVE END FRAME)
12V 55A,60A
12V 55A,60A
12V 55A,60A
12V 60A
12V 55A,60A
12V 55A
12V 60A
27330ROTOR ASSY, ALTERNATOR
12V 55A
12V 50A
12V 55A
12V 60A
12V 55A
27330ABEARING(FOR ALTERNATOR ROTOR)
12V 50A
12V 55A,60A
27357HOLDER, ALTERNATOR, W/RECTIFIER
12V 50A
12V 60A
12V 55A
12V 55A
12V 55A
27359FRAME, ALTERNATOR RECTIFIER END
12V 50A
12V 55A
12V 60A
27370HOLDER ASSY, ALTERNATOR BRUSH
27371BRUSH, ALTERNATOR
12V 50A
27372SPRING, ALTERNATOR BRUSH
12V 50A
12V 55A,60A
27411PULLEY, ALTERNATOR
12V 50A
12V 60A
12V 55A,60A
12V 60A
27443COVER, ALTERNATOR BEARING
12V 55A,60A
27700AREGULATOR ASSY, GENERATOR
12V 50A,55A
12V 55A
12V 50A
12V 60A
12V 60A
12V 55A
12V 60A
2738763020INSULATOR, TERMINAL
main27387-63020
2738770170INSULATOR, TERMINAL
main27387-70170
2738963020INSULATOR, TERMINAL
main27389-63020
9009900949
main90099-00949
9009900959
main90099-00959
9009904966
main90099-04966
9009905119
main90099-05119
9009905171
main90099-05171
9009905172
main90099-05172
9010110463
main90101-10463
9010510038
main90105-10038
9017906158
main90179-06158
9020108011
main90201-08011
9161160840
main91611-60840
9331514008
main93315-14008
9331914025
main93319-14025
9411041000
main94110-41000
9451201000
main94512-01000
9461211001
main94612-11001
35 parts on this diagram · 4 diagrams in section