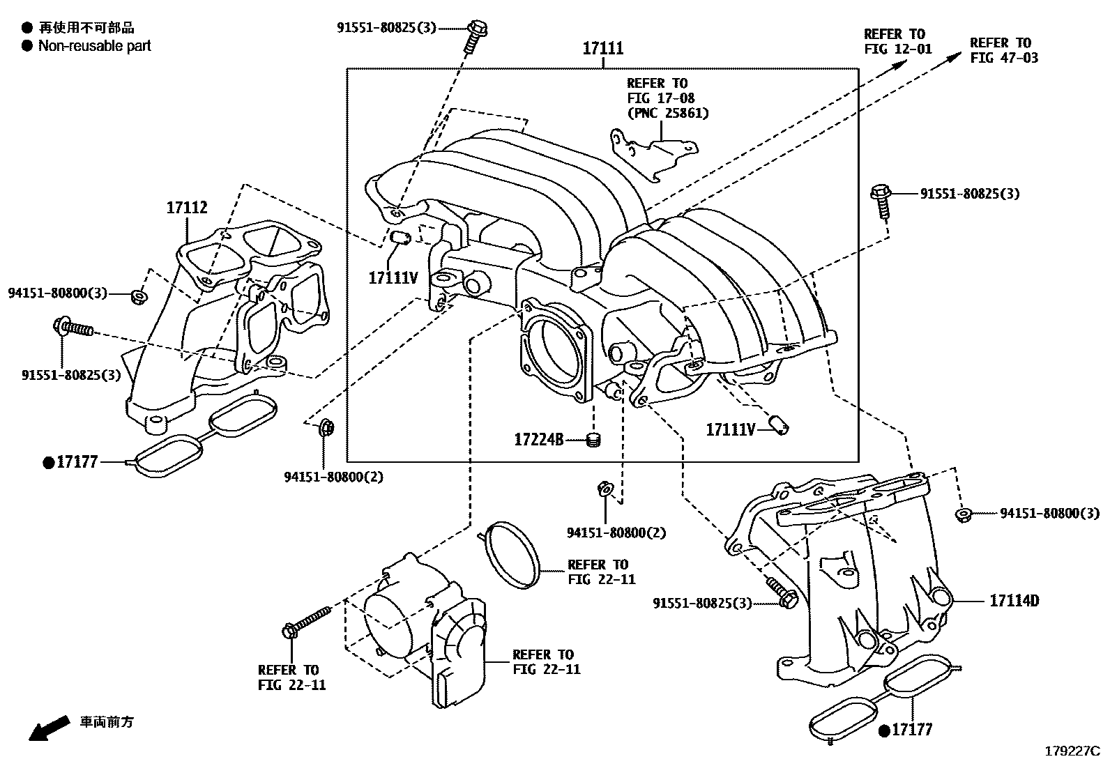
MANIFOLD

1201VENTILATION HOSE
1708VACUUM PIPING
17111MANIFOLD, INTAKE
17111VPIN, STRAIGHT(FOR INTAKE MANIFOLD SETTING)
17112MANIFOLD, INTAKE, NO.2
17114DMANIFOLD, INTAKE, NO.3
17177GASKET, INTAKE MANIFOLD TO HEAD, NO.1
17224BPLUG, TAPER SCREW
2211FUEL INJECTION SYSTEM
4703BRAKE BOOSTER & VACUUM TUBE
9155180825
main91551-80825
9415180800
main94151-80800
12 parts on this diagram · 4 diagrams in section