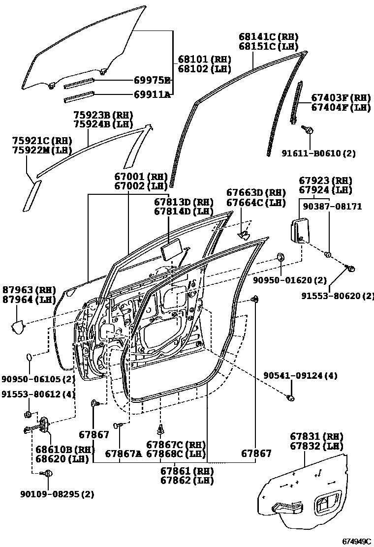
FRONT DOOR PANEL & GLASS

67001PANEL SUB-ASSY, FRONT DOOR, RH
67002PANEL SUB-ASSY, FRONT DOOR, LH
67403FFRAME SUB-ASSY, FRONT DOOR, REAR LOWER RH
67404FFRAME SUB-ASSY, FRONT DOOR, REAR LOWER LH
67663DGARNISH, DOOR FRAME, RH
67664CGARNISH, DOOR FRAME, LH
67813DSHEET, QUARTER PANEL SILENCER, RH
67814DSHEET, QUARTER PANEL SILENCER, LH
67831COVER, FRONT DOOR SERVICE HOLE, RH
67832COVER, FRONT DOOR SERVICE HOLE, LH
67867CLIP, DOOR WEATHERSTRIP
67867ACLIP, DOOR WEATHERSTRIP(FOR FRONT DOOR)
67867CRETAINER, FRONT DOOR WEATHERSTRIP, RH
67868CRETAINER, FRONT DOOR WEATHERSTRIP, LH
67923CUSHION, FRONT DOOR STIFFENER, NO.1
67924CUSHION, FRONT DOOR STIFFENER, NO.2
68101GLASS SUB-ASSY, FRONT DOOR, RH
68102GLASS SUB-ASSY, FRONT DOOR, LH
68141CRUN, FRONT DOOR GLASS, RH
68151CRUN, FRONT DOOR GLASS, LH
68610BCHECK ASSY, FRONT DOOR, RH
68620CHECK ASSY, FRONT DOOR, LH
69911ACHANNEL, FRONT DOOR GLASS, NO.1
69975EFILLER, FRONT DOOR GLASS CHANNEL, NO.1
75921CTAPE, BLACK OUT, NO.1 RH
75922MTAPE, BLACK OUT, NO.1 LH
75923BTAPE, BLACK OUT, NO.2 RH
75924BTAPE, BLACK OUT, NO.2 LH
87963COVER, OUTER MIRROR INSTALL HOLE, RH
87964COVER, OUTER MIRROR INSTALL HOLE, LH
9010908295
main90109-08295
9038708171
main90387-08171
9054109124
main90541-09124
9095001620
main90950-01620
9095006105
main90950-06105
9155380612
main91553-80612
9155380620
main91553-80620
91611B0610
main91611-B0610
40 parts on this diagram · 3 diagrams in section