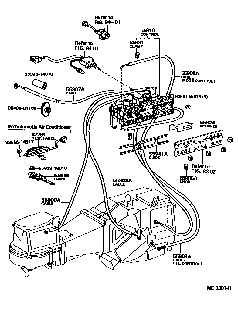
55905AKNOB, HEATER CONTROL
main55905-12060×5iAT14#,CT14#,KT147,RT141,ST140,TT14#,YT140198201-199804 55906ACABLE SUB-ASSY, DEFROSTER DAMPER CONTROL
main55906-14130iAT141,RT141,ST140,TT142..HT198201-198508 MODE CONTROL
main55906-14160iAT141,RT141,ST140,TT142..HT198201-198508 R-L CONTROL
main55906-20120iAT14#,CT14#,KT147,RT141,ST140,TT14#,YT140..SED,V198201-199804 MODE CONTROL
main55906-20140iAT14#,CT14#,KT147,RT141,ST140,TT14#,YT140..SED,V198201-198612 R-L CONTROL
55907ACABLE SUB-ASSY, WATER VALVE CONTROL
main55907-14220iAT141,RT141,ST140,TT142..HT198201-198508 WIRE:L=695,TUBE:L=645
main55907-20130iAT14#,CT14#,KT147,RT141,ST140,TT14#..SED,V198201-199111 WIRE:L=670,TUBE:L=615
55908ACABLE SUB-ASSY, AIR INLET DAMPER CONTROL
main55908-14100iAT141,RT141,ST140,TT142..HT198201-198508 WIRE:L=660,TUBE:L=605
main55908-20070iAT14#,CT14#,KT147,RT141,ST140,TT14#,YT140..SED,V198201-199804 WIRE:L=650,TUBE:L=595
55909ACABLE SUB-ASSY, AIRMIX DAMPER CONTROL
main55909-14050iAT141,RT141,ST140,TT142..HT198201-198508 WIRE:L=650,TUBE:L=595
main55909-20030iAT14#,CT14#,KT147,RT141,ST140,TT14#,YT140..SED,V198201-199804 WIRE:L=620,TUBE:L=565
55910CONTROL ASSY, HEATER OR BOOST VENTILATOR
main55910-14290iAT141,RT141,ST140,TT142..HT198201-198508 main55910-20241iAT140,CT14#,RT141,ST140,TT14#..SED,V198201-198209 main55910-20242iAT14#,CT14#,KT147,RT141,ST140,TT14#,YT140..SED,V198209-198612 55915LEVER, COOLER CONTROL
main55917-14140iAT141,RT141,ST140,TT142..HT..(EXA,EXS,GT,GTT,SX)198201-198508 W/*AAC
main55917-20080iAT141,CT140,RT141,ST140,TT142..SED..(EXA,EXS,GT,GTT,GXA,SX)198201-198508 W/*AAC
55924RETAINER, HEATER CONTROL, LOWER
main55924-20040iAT141,CT140,RT141,ST140,TT142..SED..(EXA,EXS,GT,GTT,GXA,SX)198201-198508 W/*AAC
55931CLAMP, HEATER CONTROL WIRE
main55933-14020×5iAT141,RT141,ST140,TT142..HT198201-198508 main55933-24010×5iAT14#,CT14#,KT147,RT141,ST140,TT14#,YT140..SED,V198201-199804 55941AGUIDE, HEATER CONTROL
main55941-20040iAT14#,CT14#,KT147,RT141,ST140,TT14#,YT140..SED,V198201-199804 8401SWITCH & RELAY & COMPUTER
87284RESISTOR SUB-ASSY, VARIABLE
main88032-14070iCT140,RT141,ST140,TT142..EXA,EXS,GT,GXA,SX198201-198205 W/*AAC
main88032-20040iAT141,CT140,RT141,ST140,TT142..SED..(EXA,EXS,GT,GTT,GXA,SX)198205-198508 W/*AAC
5592814010PROTECTOR, HEATER CONTROL
5593916010ORNAMENT, HEATER CONTROL