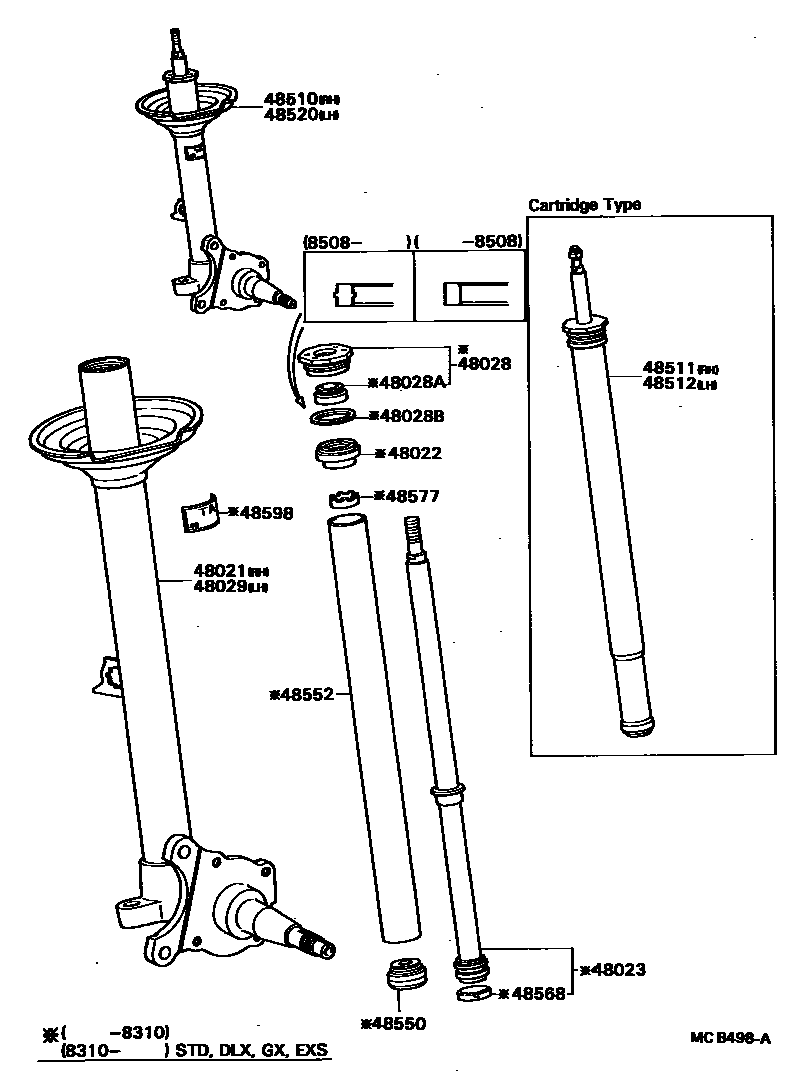
FRONT SPRING & SHOCK ABSORBER

48021SHELL SUB-ASSY, W/STEERING KNUCKLE, RH
FR DRUM BRAKE
FR DISC BRAKE
FR DRUM BRAKE
48022GUIDE SUB-ASSY, SHOCK ABSORBER ROD
48023ROD SUB-ASSY, SHOCK ABSORBER PISTON (FOR FRONT)
48028NUT SUB-ASSY, SHOCK ABSORBER RING
48028ASEAL, OIL(FOR SHOCK ABSORBER RING NUT)
48028BGASKET(FOR SHOCK ABSORBER RING NUT)
48029SHELL SUB-ASSY, W/STEERING KNUCKLE, LH
FR DRUM BRAKE
FR DISC BRAKE
FR DRUM BRAKE
48510ABSORBER ASSY, SHOCK, FRONT RH
FR DRUM BRAKE
FR DRUM BRAKE
FR DISC BRAKE
FR DISC BRAKE
FR DRUM BRAKE
48511ABSORBER, SHOCK FRONT, RH(FOR CARTRIDGE TYPE)
48512ABSORBER, SHOCK FRONT, LH(FOR CARTRIDGE TYPE)
48520ABSORBER ASSY, SHOCK, FRONT LH
FR DRUM BRAKE
FR DRUM BRAKE
FR DISC BRAKE
FR DISC BRAKE
FR DRUM BRAKE
48550VALVE ASSY, SHOCK ABSORBER BASE
48552CYLINDER, SHOCK ABSORBER(FOR FRONT)
48568RING, SHOCK ABSORBER PISTON
48577STOPPER, SHOCK ABSORBER REBOUND
48598PLATE, ABSORBER NAME
RH
LH
RH
LH
RH
LH
RH
LH
RH
LH
RH
LH
16 parts on this diagram · 2 diagrams in section