E
EPC Data

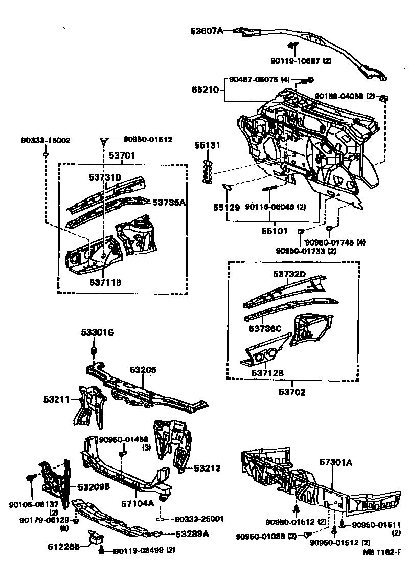
FRONT FENDER APRON & DASH PANEL

Parts diagram
51228BWEIGHT, FRONT SUSPENSION MEMBER DUMPER, LH
main51228-20040i198909-199309
53205SUPPORT SUB-ASSY, RADIATOR, UPPER
main53205-20040i198909-199309
53209BBRACE SUB-ASSY, HOOD LOCK SUPPORT
main53209-20190i198909-199108
main53209-20270i199108-199309
53211SUPPORT, RADIATOR, RH
main53211-20220i198909-199309
53212SUPPORT, RADIATOR, LH
main53212-20220i198909-199309
53289ACOVER, RADIATOR SUPPORT OPENING
main53289-20060i198909-199309
53301GCUSHION, HOOD BUMPER
main90541-15011×2i198909-198912
main90541-15016×2i198912-199108
53607ABRACE SUB-ASSY, FRONT SUSPENSION, UPPER CENTER
main53607-20080i198909-199309
53701APRON SUB-ASSY, FRONT FENDER, RH
main53701-20720i198909-199309
53702APRON SUB-ASSY, FRONT FENDER, LH
main53702-20690i198909-199309
53711BAPRON, FRONT FENDER, FRONT RH
main53711-20900i198909-199309
53712BAPRON, FRONT FENDER, FRONT LH
main53712-20290i198909-199309
53731DMEMBER, FRONT APRON TO COWL SIDE, UPPER RH
main53731-20090i198909-199309
53732DMEMBER, FRONT APRON TO COWL SIDE, UPPER LH
main53732-20090i198909-199309
53735AMEMBER, FRONT APRON TO COWL SIDE, LOWER RH
main53735-20900i198909-199309
53736CMEMBER, FRONT APRON TO COWL SIDE, LOWER LH
main53736-20900i198909-199309
55101PANEL SUB-ASSY, DASH
main55101-2B914i198909-199108
main55101-2B915i198909-199108
main55101-2B924i199108-199309
main55101-2B925i199108-199309
55129COVER, DASH PANEL HOLE
main55129-20010×2i198909-199309
55131REINFORCEMENT, DASH PANEL
main55131-20090i198909-199309
55210INSULATOR ASSY, DASH PANEL
main55210-20270i198909-199309
57104AMEMBER SUB-ASSY, FRONT CROSS
main57104-20090i198909-199309
57301AMEMBER SUB-ASSY, STEERING GEAR BOX SUPPORT
main57301-20200i198909-199309
main57301-20240i198909-199309
9010506137
9011606046
9011908499
9011910587
9017906129
9018904055
9033315002
9033325001
9046705075
9095001038
9095001459
9095001511
9095001512
9095001733
9095001745

37 parts on this diagram · 1 diagram in section

FRONT FENDER APRON & DASH PANEL — Toyota Parts Diagram with OEM Numbers & Prices | EPC Data