E
EPC Data
Pricing
Sign In
Home
›
JP
›
253120
›
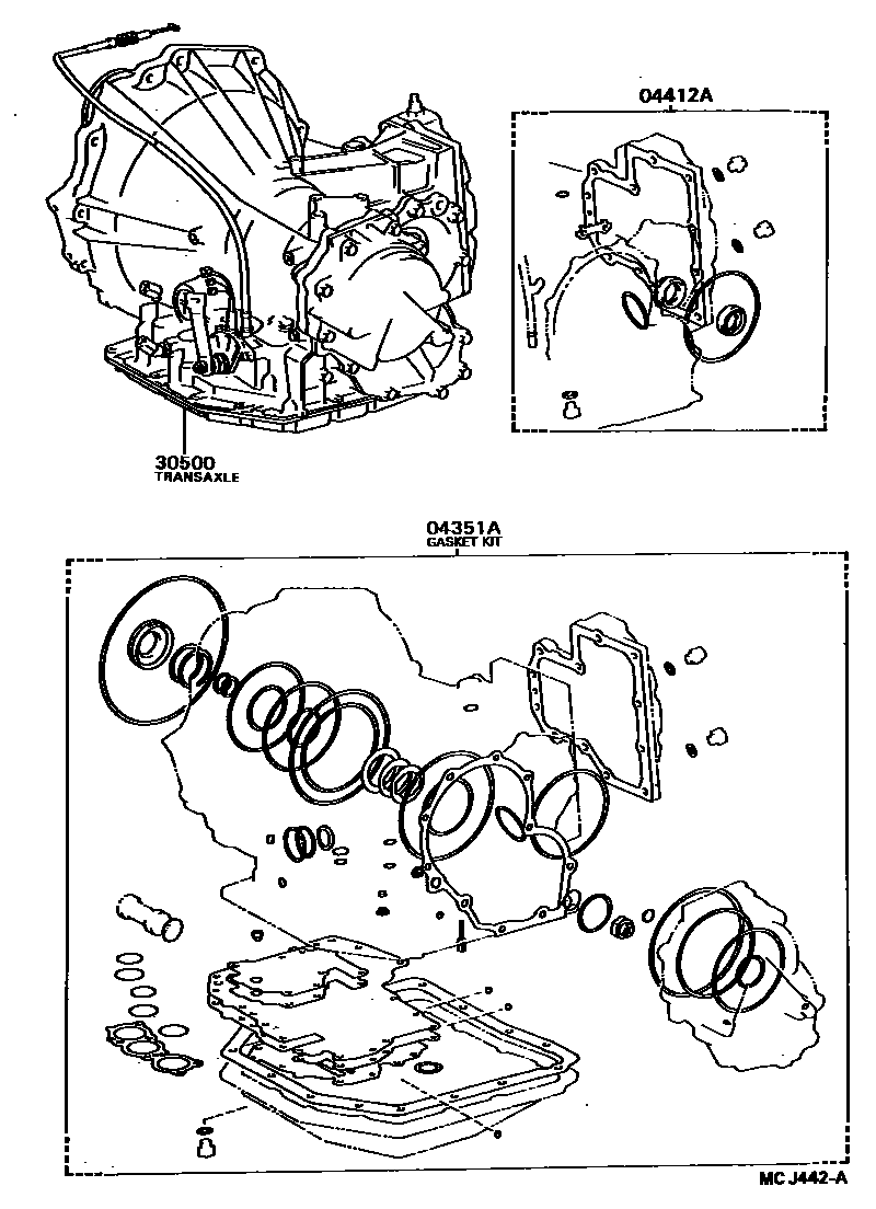
TRANSAXLE OR TRANSMISSION ASSY & GASKET KIT (ATM)
TRANSAXLE OR TRANSMISSION ASSY & GASKET KIT (ATM)
04351A
GASKET KIT, TRANSAXLE OVERHAUL(ATM)
main
04351-20080
i
ST160,163..4FC
198708-198908
main
04351-20090
i
ST162..4FC
198708-198908
04412A
GASKET KIT, DIFFERENTIAL CARRIER(ATM)
main
04412-16020
i
ST16#..4FC
198708-198908
30500
TRANSAXLE ASSY, AUTOMATIC
main
30110-20350
i
ST162..4FC..GT
198904-198908
main
30110-20480
i
ST163..4FC
198904-198908
sub
30500-20590
main
30500-20340
i
ST160..4FC
198708-198805
sub
30500-20341
sub
91642-H0822
main
30500-20350
i
ST162..4FC..GT
198708-198904
main
30500-20370
i
ST162..4FC..VX
198708-198908
main
30500-20480
i
ST163..4FC
198805-198904
sub
30500-20481
sub
90105-10203
sub
91642-H0822
3 parts on this diagram · 1 diagram in section
TRANSAXLE OR TRANSMISSION ASSY & GASKET KIT (ATM) — Toyota Parts Diagram with OEM Numbers & Prices | EPC Data