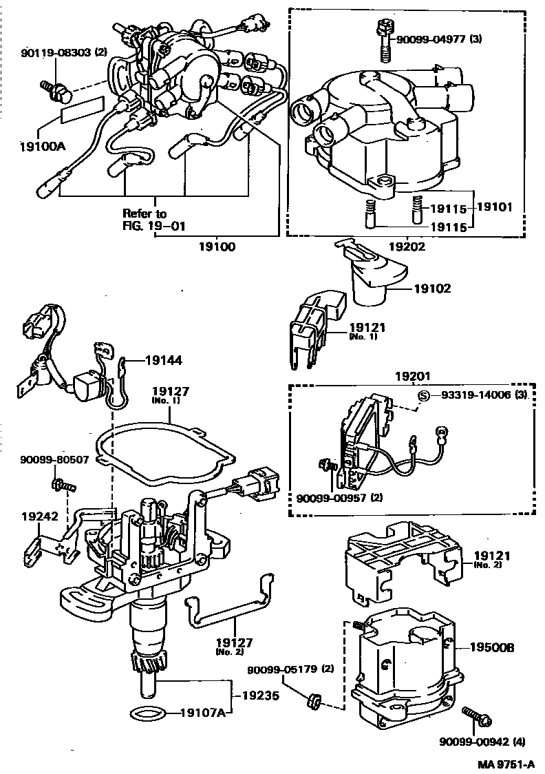
DISTRIBUTOR

1901
19100ATAPE, SEALING
sub90919-24003
19115PIECE, DISTRIBUTOR CAP, CENTER
19121COVER, DUST PROOF
19127PACKING, DUST PROOF
19201IGNITER
19202CAP KIT(FOR DISTRIBUTOR)
19235HOUSING, DISTRIBUTOR
19242CLAMP, CORD
19500BCOIL ASSY, IGNITION
9009900942
main90099-00942
9009900957
main90099-00957
9009904977
main90099-04977
9009905179
main90099-05179
9009980507
main90099-80507
9011908303
main90119-08303
9331914006
main93319-14006
22 parts on this diagram · 4 diagrams in section