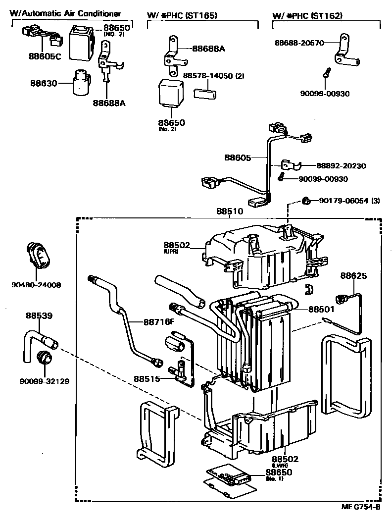
HEATING & AIR CONDITIONING - COOLER UNIT

88501EVAPORATOR SUB-ASSY, COOLER, NO.1
88502CASE SUB-ASSY, COOLING UNIT
UPR
LWR
88515VALVE, COOLER EXPANSION
88539HOSE, COOLER UNIT DRAIN, NO.1
88605HARNESS SUB-ASSY, COOLER WIRING, NO.1
W/*PHC
W/*AAC
W/*AAC
W/*PHC
88605CHARNESS SUB-ASSY, COOLER WIRING, NO.2
88625THERMISTOR, COOLER, NO.1
88630RELAY ASSY, COOLER
88650AMPLIFIER ASSY, COOLER STABILIZER
NO.1
NO.1
NO.1
NO.1
W/*AAC,NO.2
NO.2
88688ABRACKET, COOLER STABILIZER AMPLIFIER
W/*AAC
W/*PHC
88716FPIPE, COOLER REFRIGERANT LIQUID, F
8857814050PAKING, COOLER AIR DUCT
main88578-14050
8868820570BRACKET, COOLER DIAPHRAGM
main88688-20570
8889220230BRACKET, COOLER EVAPORATOR MOUNTING
main88892-20230
9009900930
main90099-00930
9009932129
main90099-32129
9017906054
main90179-06054
9048024008
main90480-24008
19 parts on this diagram · 1 diagram in section