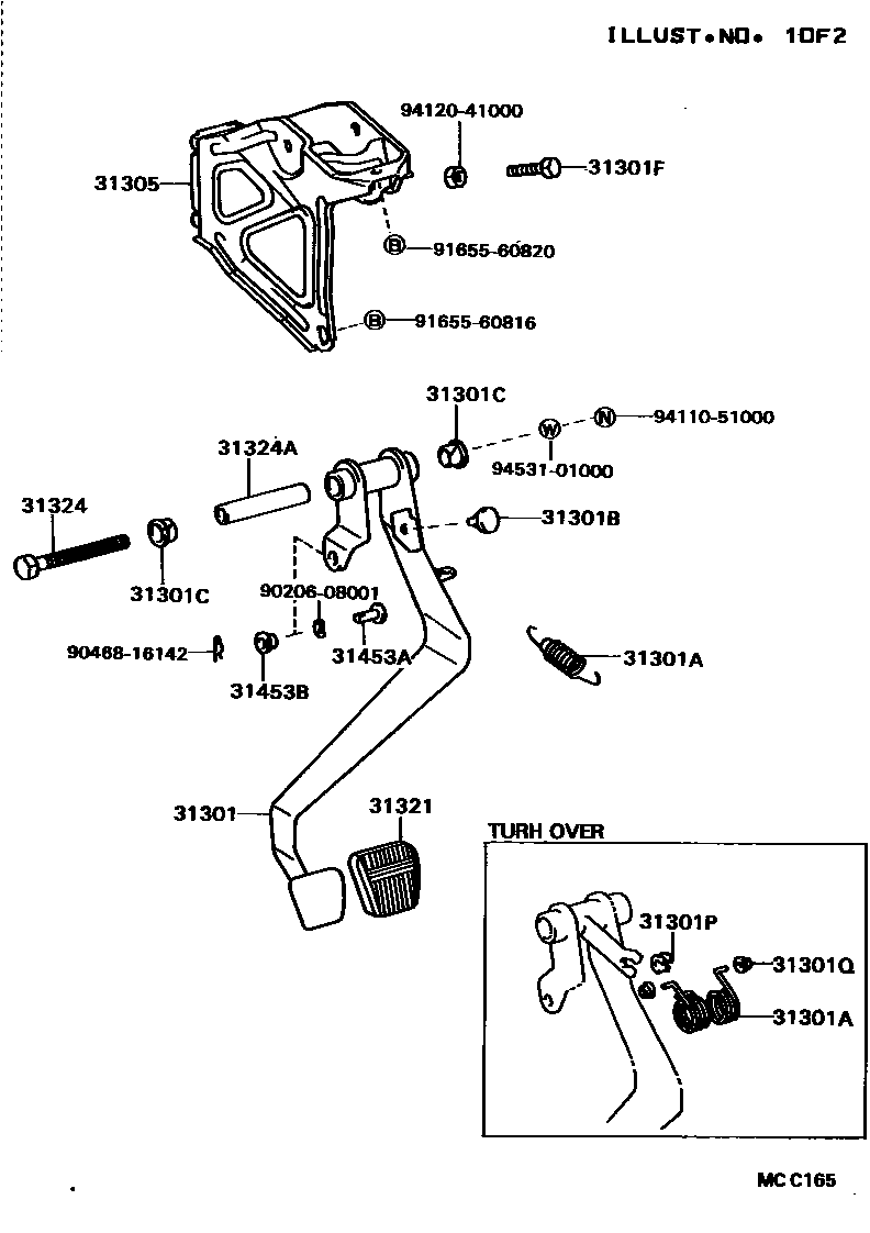
CLUTCH PEDAL & FLEXIBLE HOSE

31301PEDAL SUB-ASSY, CLUTCH
31301ASPRING(FOR CLUTCH PEDAL)
31301BCUSHION, NO.1(FOR CLUTCH PEDAL)
31301CBUSH(FOR CLUTCH PEDAL)
31301FBOLT(FOR CLUTCH PEDAL STOPPER)
31301PBUSH(FOR CLUTCH PEDAL TURNOVER)
31301QBUSH(FOR CLUTCH PEDAL SPRING)
31305BRACKET SUB-ASSY, CLUTCH PEDAL
31321PAD, CLUTCH PEDAL
31324SHAFT, CLUTCH PEDAL
31324ACOLLAR, CLUTCH PEDAL SHAFT
31453APIN, W/HOLE(FOR CLUTCH MASTER CYLINDER PUSH ROD CLEVIS)
31453BBUSH(FOR CLUTCH MASTER CYLINDER PUSH ROD CLEVIS)
9020608001
main90206-08001
9046816142
main90468-16142
9165560816
main91655-60816
9165560820
main91655-60820
9411051000
main94110-51000
9412041000
main94120-41000
9453101000
main94531-01000
20 parts on this diagram · 3 diagrams in section