E
EPC Data

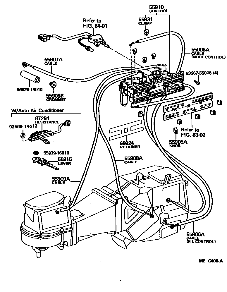
HEATING & AIR CONDITIONING - CONTROL & AIR DUCT

Parts diagram
55905AKNOB, HEATER CONTROL
main55905-12060×5i198107-198512
55906ACABLE SUB-ASSY, DEFROSTER DAMPER CONTROL
main55906-14130i198107-198512
L=550,MODE CONTROL
main55906-14160i198107-198512
L=555,R-L CONTROL
55906BGROMMET(FOR HEATER CONTROL CABLE)
main90480-01108i198107-198512
55907ACABLE SUB-ASSY, WATER VALVE CONTROL
main55907-14220i198107-198512
L=710
55908ACABLE SUB-ASSY, AIR INLET DAMPER CONTROL
main55908-14100i198107-198512
L=675
55909ACABLE SUB-ASSY, AIRMIX DAMPER CONTROL
main55909-14050i198107-198512
L=650
55910CONTROL ASSY, HEATER OR BOOST VENTILATOR
main55910-14290i198107-198512
55915LEVER, COOLER CONTROL
main55917-14140i198107-198512
W/*AAC
55924RETAINER, HEATER CONTROL, LOWER
main55924-14040i198204-198512
W/*AAC
55931CLAMP, HEATER CONTROL WIRE
main55933-14020×5i198107-198512
8302INDICATOR
8401SWITCH & RELAY & COMPUTER
87284RESISTOR SUB-ASSY, VARIABLE
main88032-14070i198107-198512
W/*AAC
5592814010PROTECTOR, HEATER CONTROL
5593916010ORNAMENT, HEATER CONTROL
9356614512
9356755016

17 parts on this diagram · 3 diagrams in section

HEATING & AIR CONDITIONING - CONTROL & AIR DUCT — Toyota Parts Diagram with OEM Numbers & Prices | EPC Data