E
EPC Data

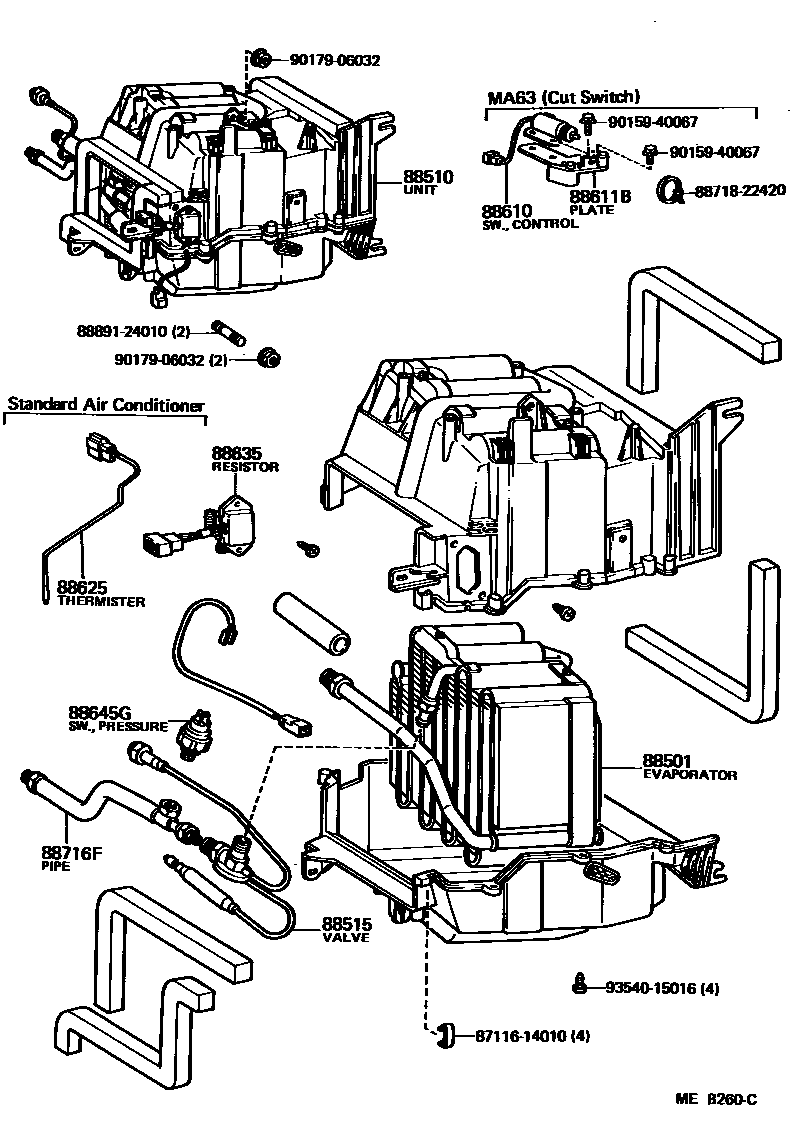
HEATING & AIR CONDITIONING - COOLER UNIT

Parts diagram
88501EVAPORATOR SUB-ASSY, COOLER, NO.1
main88501-14180i198107-198208
main88501-14210i198202-198208
main88501-24010i198208-198212
W/*AAC
main88501-24020i198208-198212
main88501-24021i198212-198308
88510UNIT ASSY, COOLER
main88510-14320i198107-198308
main88510-14350i198107-198308
W/*AAC
main88510-14360i198202-198512
main88510-14370i198210-198308
W/*AAC
main88510-24020i198308-198512
88515VALVE, COOLER EXPANSION
main88515-14040i198107-198308
W/*AAC
main88515-16030i198212-198308
main88515-20040i198308-198512
88610SWITCH ASSY, COOLER CONTROL
main88610-30560i198202-198512
AIR CONDITIONER CUT SWITCH
88611BPLATE, COOLER CONTROL SWITCH
main88688-30780i198202-198512
88625THERMISTOR, COOLER, NO.1
main88625-90A00i198107-198512
STD AIR CONDITIONER
88635RESISTOR, COOLER UNIT BLOWER
main88635-14050i198107-198308
W/*AAC
main88635-14100i198202-198308
W/*AAC
88645GSWITCH, PRESSURE
main88645-30250i198107-198512
88716FPIPE, COOLER REFRIGERANT LIQUID, F
main88716-24010i198107-198512
8711614010SPRING, HEATER CASE FASTENING
8871822420PIPE, COOLER REFRIGERANT SUCTION, NO.2
8889124010PACKING (FOR COOLER)
9015940067
9017906032
9354015016

15 parts on this diagram · 3 diagrams in section

HEATING & AIR CONDITIONING - COOLER UNIT — Toyota Parts Diagram with OEM Numbers & Prices | EPC Data