E
EPC Data

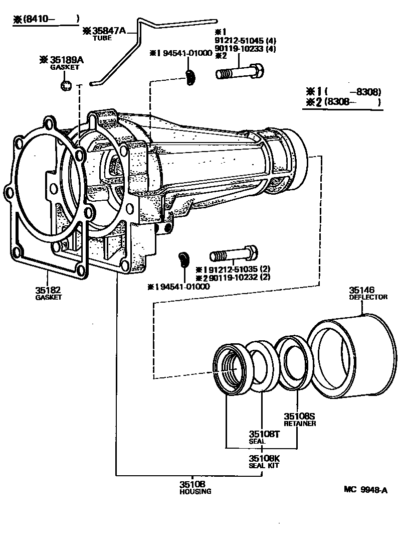
EXTENSION HOUSING (ATM)

Parts diagram
35108HOUSING SUB-ASSY, EXTENSION (ATM)
main35108-22032i198107-198112
main35108-22033i198112-198308
main35108-22034i198410-198512
main35108-24010i198308-198410
main35108-24011i198410-198512
35108KSEAL KIT, OIL(FOR AUTOMATIC EXTENSION HOUSING)
main04332-30020i198107-198512
35108SRETAINER, EXTENSION HOUSING DUST SEAL (ATM)
main33145-30010i198107-198512
35108TSEAL, DUST (FOR AUTOMATIC TRANSMISSION EXTENSION HOUSING)
main90303-38010i198107-198512
35146DEFLECTOR, EXTENSION HOUSING DUST (ATM)
main33146-30010i198107-198512
35182GASKET, EXTENSION HOUSING (ATM)
main35182-22010i198107-198512
35189AGASKET, EXTENSION HOUSING BUSH APPLY TUBE
main35189-30010i198410-198512
35847ATUBE, EXTENSION HOUSING BUSH APPLY
main35847-30020i198410-198512
9011910232
9011910233
9121251035
9121251045
9454101000

13 parts on this diagram · 1 diagram in section

EXTENSION HOUSING (ATM) — Toyota Parts Diagram with OEM Numbers & Prices | EPC Data