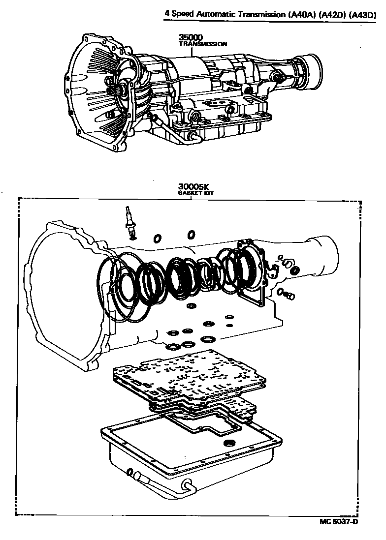
TRANSAXLE OR TRANSMISSION ASSY & GASKET KIT (ATM)

30005KGASKET KIT, AUTOMATIC TRANSMISSION OVERHAUL
35000TRANSMISSION ASSY, AUTOMATIC
SMG R=20:6
SMG R=20:6
SMG R=21:6
SMG R=20:6
SMG R=21:6
SMG R=19:6
SMG R=19:6
SMG R=21:6
SMG R=20:6
SMG R=21:6
2 parts on this diagram · 1 diagram in section