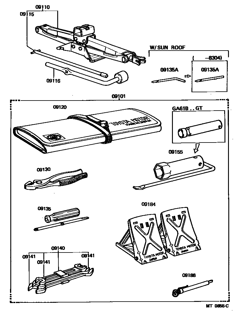
STANDARD TOOL

09110JACK ASSY
sub09111-22040
09116LEVER, JACK HANDLE
09120BAG, TOOL
09135DRIVER, SCREW
09135ABIT, SCREW DRIVER
W/SUN ROOF
09141SPANNER
09184STOPPER, WHEEL
09186GAGE, TIRE
13 parts on this diagram · 1 diagram in section

13 parts on this diagram · 1 diagram in section