E
EPC Data

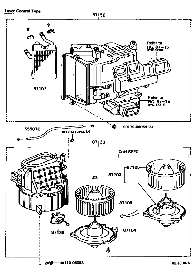
HEATING & AIR CONDITIONING - HEATER UNIT & BLOWER

Parts diagram
55907CCABLE SUB-ASSY, WATER VALVE CONTROL
main87286-20060i198708-198908
87103MOTOR SUB-ASSY, HEATER BLOWER, W/FAN
main87103-32010i198708-198903
87104MOTOR SUB-ASSY, HEATER BLOWER
main87104-20170i198708-198908
87105FAN SUB-ASSY, HEATER BLOWER
main87105-14030i198708-198908
main87105-32010i198903-198908
87107UNIT SUB-ASSY, HEATER RADIATOR
main87107-20390i198708-198710
main87107-20391i198710-198903
main87107-20430i198903-198908
V
main87107-20440i198708-198908
87130BLOWER ASSY, HEATER, FRONT
main87130-20160i198708-198908
main87130-20270i198708-198908
main87130-20280i198903-198908
main87130-20330i198708-198908
87138RESISTOR, HEATER BLOWER
main87138-20080i198903-198908
V
main87138-20100i198708-198908
main87138-32030i198903-198908
main87138-32040i198708-198908
main88635-32020i198903-198908
8715HEATING & AIR CONDITIONING - CONTROL & AIR DUCT
87150RADIATOR ASSY, HEATER
main87150-20520i198708-198908
main87150-20530i198708-198908
main87150-20540i198708-198908
main87150-20550i198708-198908
9011906098
9017906054

11 parts on this diagram · 3 diagrams in section

HEATING & AIR CONDITIONING - HEATER UNIT & BLOWER — Toyota Parts Diagram with OEM Numbers & Prices | EPC Data