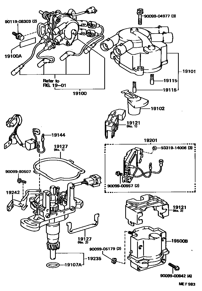
DISTRIBUTOR

1901IGNITION COIL & SPARK PLUG / GLOW PLUG
19100DISTRIBUTOR ASSY
19100ATAPE, SEALING
19101CAP SUB-ASSY, DISTRIBUTOR
19102ROTOR SUB-ASSY, DISTRIBUTOR
19107ARING, O, DISTRIBUTOR HOUSING
19115PIECE, DISTRIBUTOR CAP, CENTER
19121COVER, DUST PROOF
NO.2
NO.1
19127PACKING, DUST PROOF
NO.1
NO.2
19144LEAD, DISTRIBUTOR BREAKER
19201IGNITER
19235HOUSING, DISTRIBUTOR
19500BCOIL ASSY, IGNITION
9009900942
main90099-00942
9009900957
main90099-00957
9009904977
main90099-04977
9009905179
main90099-05179
9009980507
main90099-80507
9011908303
main90119-08303
9331914006
main93319-14006
21 parts on this diagram · 2 diagrams in section