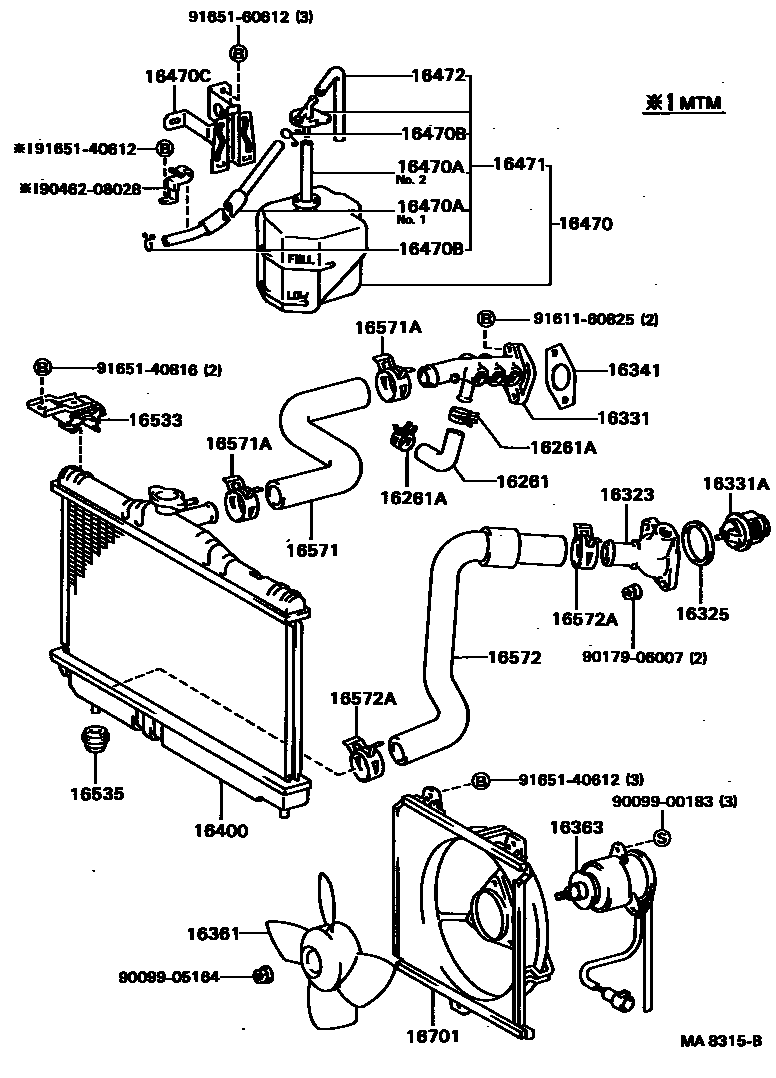
RADIATOR & WATER OUTLET

16261HOSE, WATER BY-PASS
16323HOUSING, WATER INLET
16325GASKET, WATER INLET HOUSING, NO.1
sub16325-63011
16331ATHERMOSTAT
16341GASKET, WATER OUTLET
sub16341-63011
16361FAN
16363MOTOR, COOLING FAN
16470TANK ASSY, RADIATOR RESERVE
16470AHOSE OR PIPE(FOR RADIATOR RESERVE TANK)
16470BCLAMP OR CLIP(FOR RADIATOR RESERVE TANK HOSE)
16470CBRACKET(FOR RADIATOR RESERVE TANK)
16471CAP SUB-ASSY, RESERVE TANK
16472HOSE, BREATHER
16533SUPPORT, RADIATOR, UPPER
16571HOSE, RADIATOR, INLET
16571ACLAMP OR CLIP, HOSE(FOR RADIATOR INLET)
sub90467-34003
16572HOSE, RADIATOR, OUTLET
16572ACLAMP OR CLIP, HOSE(FOR RADIATOR OUTLET NO.1)
sub90467-34003
16701SHROUD SUB-ASSY, FAN
9009900183
main90099-00183
9009905164
main90099-05164
9017906007
main90179-06007
9046208028
main90462-08028
9161160825
main91611-60825
9165140612
main91651-40612
9165140816
main91651-40816
9165160612
main91651-60612
31 parts on this diagram · 3 diagrams in section