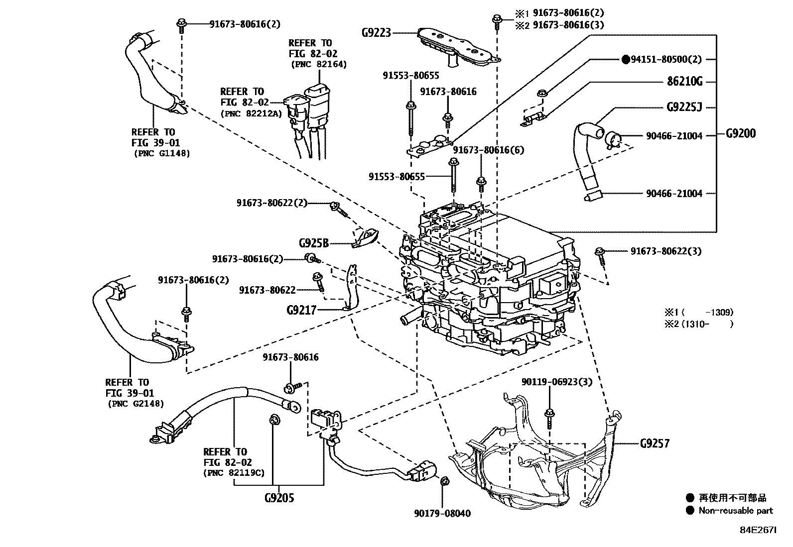
HEV INVERTER

3901TRANSAXLE ASSY(HEV OR BEV OR FCEV)
8202WIRING & CLAMP
86210GFUSE, HIGH VOLTAGE
G9200INVERTER ASSY, W/CONVERTER
G9205PLATE SUB-ASSY, INVERTER BUS-BAR
G9225JHOSE, INVERTER COOLING, NO.1
9011906923
main90119-06923
9017908040
main90179-08040
9046621004
main90466-21004
9155380655
main91553-80655
9167380616
main91673-80616
9167380622
main91673-80622
9415180500
main94151-80500
17 parts on this diagram · 2 diagrams in section