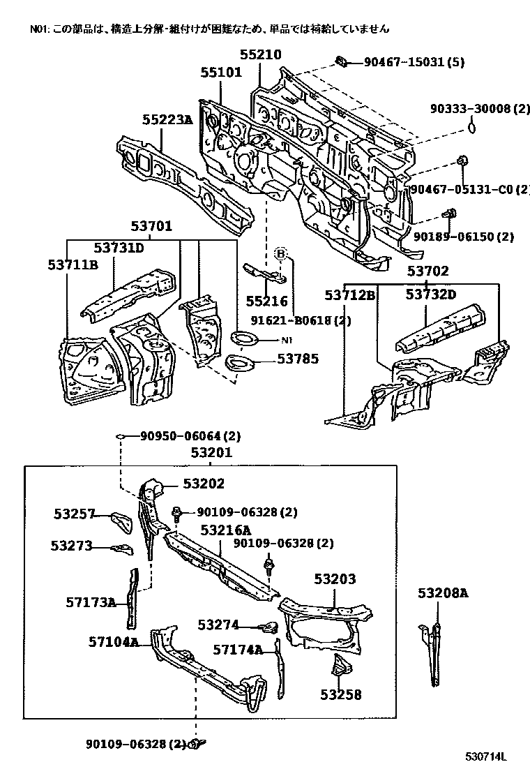
FRONT FENDER APRON & DASH PANEL

53201SUPPORT SUB-ASSY, RADIATOR
53202SUPPORT SUB-ASSY, RADIATOR, RH
53203SUPPORT SUB-ASSY, RADIATOR, LH
53208ASUPPORT SUB-ASSY, HOOD LOCK
53216ASUPPORT, RADIATOR, UPPER
53257BRACKET, FRONT END PANEL MOUNTING, RH
53258BRACKET, FRONT END PANEL MOUNTING, LH
53273BRACKET, FRONT BUMPER ARM MOUNTING, RH
53274BRACKET, FRONT BUMPER ARM MOUNTING, LH
53701APRON SUB-ASSY, FRONT FENDER, RH
53702APRON SUB-ASSY, FRONT FENDER, LH
53711BAPRON, FRONT FENDER, FRONT RH
53712BAPRON, FRONT FENDER, FRONT LH
53731DMEMBER, FRONT APRON TO COWL SIDE, UPPER RH
53732DMEMBER, FRONT APRON TO COWL SIDE, UPPER LH
53785REINFORCE, FRONT SUSPENSION UPPER ARM, NO.1
55101PANEL SUB-ASSY, DASH
55210INSULATOR ASSY, DASH PANEL
55216PAD, DASH PANEL INSULATOR, NO.4
55223AINSULATOR, DASH PANEL, OUTER
57104AMEMBER SUB-ASSY, FRONT CROSS
57173AREINFORCEMENT, FRONT CROSSMEMBER, NO.3 RH
57174AREINFORCEMENT, FRONT CROSSMEMBER, NO.3 LH
9010906328
main90109-06328
9018906150
main90189-06150
9033330008
main90333-30008
9046705131C0
main90467-05131C0
9046715031
main90467-15031
9095006064
main90950-06064
91621B0618
main91621-B0618
30 parts on this diagram · 1 diagram in section