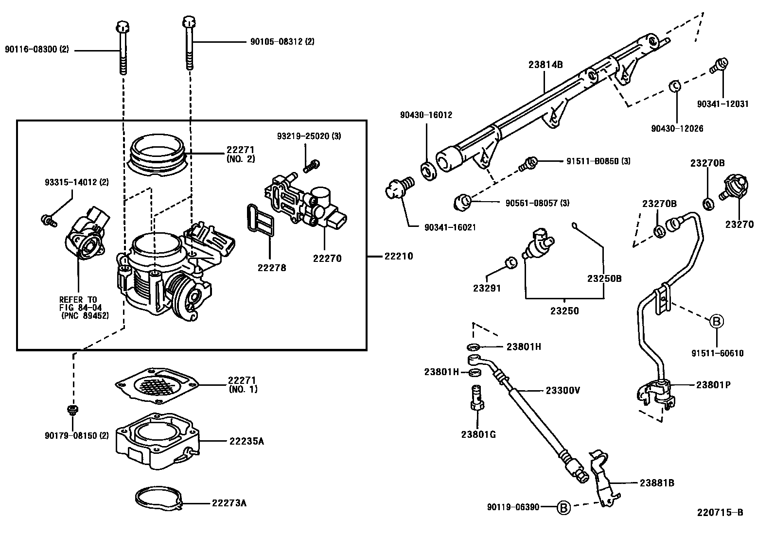
FUEL INJECTION SYSTEM

22210BODY ASSY, THROTTLE
22235AINLET, AUXILIARY AIR
22270VALVE ASSY, IDLE SPEED CONTROL(FOR THLOTTLE BODY)
22271GASKET, THROTTLE BODY
22273AGASKET, THROTTLE BODY, NO.2
22278GASKET, IDLE SPEED CONTROL VALVE
23250INJECTOR ASSY, FUEL
23250BRING, O(FOR FUEL INJECTOR)
23270DAMPER ASSY, FUEL PRESSURE PULSATION
23270BGASKET(FOR PULSATION DAMPER HOSE)
23291INSULATOR, INJECTOR VIBRATION
23300VHOSE, FUEL(FOR FUEL INLET)
23801GBOLT, UNION(FOR FUEL PIPE)
23801HGASKET(FOR FUEL PIPE)
23801PPIPE SUB-ASSY, FUEL, NO.1
23881BBRACKET, FUEL HOSE
8404ELECTRONIC FUEL INJECTION SYSTEM
9010508312
main90105-08312
9011608300
main90116-08300
9011906390
main90119-06390
9017908150
main90179-08150
9034112031
main90341-12031
9034116021
main90341-16021
9043012026
main90430-12026
9043016012
main90430-16012
9056108057
main90561-08057
9151160610
main91511-60610
91511B0850
main91511-B0850
9321925020
main93219-25020
9331514012
main93315-14012
31 parts on this diagram · 8 diagrams in section