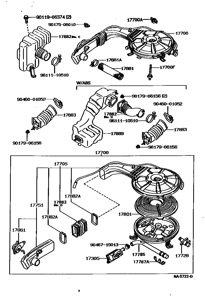
AIR CLEANER

17061DIAPHRAGM SUB-ASSY
17700ANUT, WING(FOR AIR CLEANER)
17700FBOLT, STUD(FOR AIR CLEANER SETTING)
17728VALVE, THERMOSTATIC
17751INLET, AIR CLEANER, NO.1
17785SILENCER, AIR CLEANER
17787ABRACKET, AIR CLEANER SILENCER
17882HOSE, AIR CLEANER, NO.2
NO.1
NO.2
NO.1
17882ACLAMP(FOR AIR CLEANER HOSE, NO.2)
17883HOSE, AIR CLEANER, NO.3
17889BOX, AIR CLEANER HOSE, NO.2
9011906374
main90119-06374
9017506010
main90175-06010
9017906156
main90179-06156
9046001052
main90460-01052
9046719013
main90467-19013
9611110510
main96111-10510
23 parts on this diagram · 10 diagrams in section