E
EPC Data

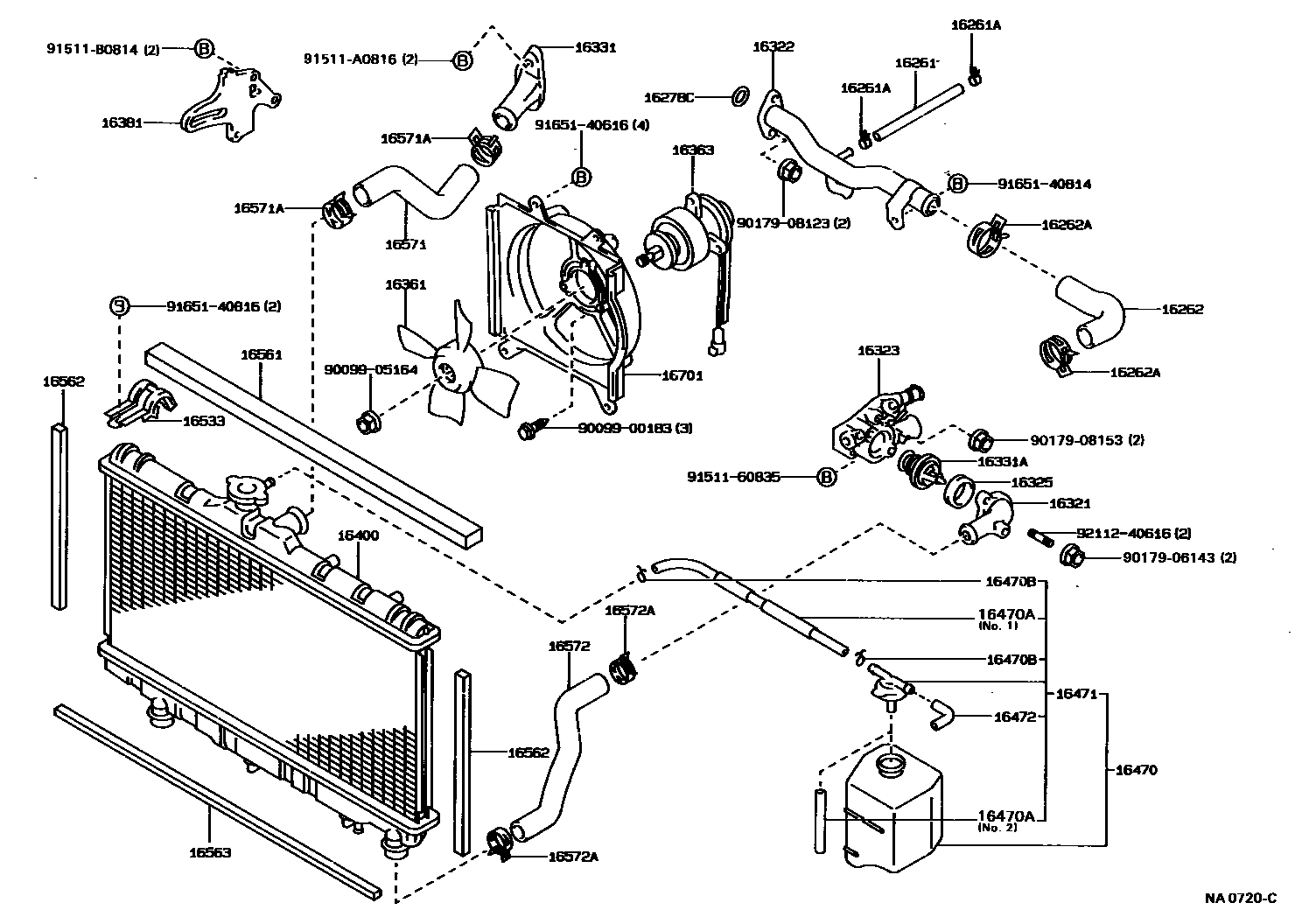
RADIATOR & WATER OUTLET

Parts diagram
16261HOSE, WATER BY-PASS
main16261-11040i198805-198910
main16261-15010i198805-199208
main16261-64060i198805-199211
main16261-74010i199005-199211
main16261-74040i198805-199005
main99555-10180i198805-199106
main99555-10200i198805-199208
16261ACLAMP OR CLIP, HOSE(FOR WATER BY-PASS HOSE)
main90467-11009i198901-198910
main90467-11049i198805-198901
main90467-13001i198805-199106
main90467-15004i198805-198908
main90467-15022i198908-199211
main90467-22003i198805-199211
main96112-10250i198805-199208
main96135-41300i199106-199208
16262HOSE, WATER INLET
main16262-10010i198805-199211
main16262-10020i198805-199211
main16262-15010i198805-199208
main16262-15030i198805-199211
16262ACLIP(FOR WATER INLET HOSE)
main90467-34003i198805-199211
main90467-36001i198805-199211
16278PIPE, WATER BY-PASS, NO.2
main16278-16060i198805-199106
main16278-16061i199106-199208
16278CRING, O(FOR WATER BY-PASS PIPE NO.2)
main96711-24035i198805-199211
16321INLET, WATER
main16321-11011i198805-199211
main16321-15020i198805-199211
main16321-16030i198805-199208
main16321-16040i198805-199208
main16321-64020i198805-199211
main16321-74020i199005-199211
main16321-88360i198805-199005
16322PIPE, WATER INLET
main16322-11010i198805-198910
main16322-11080i198910-199204
main16322-11081i199204-199211
main16322-15020i198805-199005
main16322-15040i199005-199106
main16322-15041i199106-199211
16323HOUSING, WATER INLET
main16323-15050i198805-199208
main16323-15060i198805-199005
main16323-15070i198805-199005
main16323-15080i199005-199211
main16323-15120i199005-199211
main16323-16060i198805-199208
16325GASKET, WATER INLET HOUSING, NO.1
main16325-63010i198805-199211
16331OUTLET, WATER
main16304-74051i198805-199005
main16304-74061i198805-199005
main16304-74110i199005-199211
main16331-15070i198805-199005
main16331-15080i198805-199211
main16331-16090i198805-199208
main16331-64030i198805-199211
main16331-64070i199005-199211
16331ATHERMOSTAT
main90916-03046i198805-199211
main90916-03060i198805-199208
16361FAN
main16361-15080i198805-199211
main16361-63020i198805-199211
main16361-63040i198805-199211
main16361-64010i198805-199211
16363MOTOR, COOLING FAN
main16363-10010i198805-199211
main16363-16010i198805-199211
main16363-16020i198805-199211
main16363-74010i199201-199211
16381BAR, FAN BELT ADJUSTING
main16381-11020i198805-199207
main16381-11021i199207-199211
main16381-11030i198805-199211
main16381-11030i199005-199211
main16381-15060i198805-199211
main16381-16050i198805-199208
16400RADIATOR ASSY
main16400-11200i198805-199211
main16400-11210i198805-199211
main16400-15360i198805-199005
main16400-15380i198805-199211
main16400-15440i198808-199208
main16400-16190i198805-199208
main16400-16220i198805-199208
main16400-16290i198808-199211
main16400-16380i199005-199208
main16400-64460i198805-199211
main16400-64470i198805-198910
main16400-64471i198910-199211
main16400-74060i198805-199005
main16400-74320i198805-199005
main16400-74710i199005-199211
main16400-74730i199005-199211
16470TANK ASSY, RADIATOR RESERVE
main16470-15050i198805-199211
main16470-16120i198805-199208
main16470-16140i199005-199208
main16470-64100i198805-199005
main16470-64110i198805-199211
main16470-74090i198805-199211
main16470-74090i198805-199005
16470AHOSE OR PIPE(FOR RADIATOR RESERVE TANK)
main85338-16120i199005-199208
main85338-70070i199005-199208
main85338-74080i198805-199211
main90099-33466i198805-199110
main90099-33494i198805-199005
main90099-33534i198805-199211
main90445-12065i198805-199005
main90445-12078i198805-199211
main90445-12078i198805-199005
main90445-12078i198805-199211
16470BCLAMP OR CLIP(FOR RADIATOR RESERVE TANK HOSE)
main90467-11085i198805-199211
16471CAP SUB-ASSY, RESERVE TANK
main16405-15060i198805-199211
main16405-16090i198805-199208
main16405-16100i199005-199208
main16405-64040i198805-199005
main16405-64050i198805-199211
main16405-74060i198805-199005
main16405-74060i198805-199211
16472HOSE, BREATHER
main85338-14030i198805-199005
main85338-70100i198805-199211
main85338-74040i198805-199005
main85338-74040i199005-199211
16533SUPPORT, RADIATOR, UPPER
main16533-15110i198805-199211
main16533-64100i198805-199211
main16533-74060i198805-199211
main16533-74070i199005-199211
16561SEAL, RADIATOR TO SUPPORT, NO.1
main16561-74010i198805-199211
16562SEAL, RADIATOR TO SUPPORT, NO.2
main16562-74010i198805-199211
16563SEAL, RADIATOR TO SUPPORT, NO.3
main16563-74010i198805-199211
16571HOSE, RADIATOR, INLET
main16571-11060i198805-199211
main16571-15150i198805-199211
main16571-15180i198808-199208
main16571-16090i198805-199208
main16571-64140i198805-199211
main16571-74090i198805-199211
16571ACLAMP OR CLIP, HOSE(FOR RADIATOR INLET)
main90467-31003i198805-199211
WATER INLET SIDE
main90467-33002i198805-199211
main90467-33002i198805-199211
RADIATOR SIDE
main90467-34003i198805-199211
16572HOSE, RADIATOR, OUTLET
main16572-11120i198805-199211
main16572-15200i198805-199211
main16572-16070i198805-199208
main16572-64170i198805-199211
main16572-74030i198805-198901
main16572-74120i198901-199005
main16572-74130i199005-199211
16572ACLAMP OR CLIP, HOSE(FOR RADIATOR OUTLET NO.1)
main90467-31003i198805-199211
WATER INLET SIDE
main90467-33002i198805-199211
RADIATOR SIDE
main90467-33002i198805-199211
main90467-34003i198805-199211
main90467-37001i198805-199211
WATER INLET SIDE
16701SHROUD SUB-ASSY, FAN
main16711-15220i198805-199211
main16711-15230i198805-199211
main16711-16140i198808-199208
main16711-16150i198808-199211
main16711-64220i198805-199211
main16711-74020i198805-199211
main16711-74050i198805-199211
main16711-74140i198805-199211
9009900183
9009905164
9017906143
9017908123
9017908153
9151160835
91511A0816
91511B0814
9165140616
9165140814
9165140816
9211240616

42 parts on this diagram · 11 diagrams in section

RADIATOR & WATER OUTLET — Toyota Parts Diagram with OEM Numbers & Prices | EPC Data