E
EPC Data

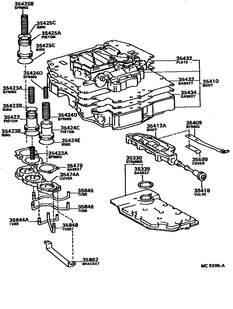
VALVE BODY & OIL STRAINER (ATM)

Parts diagram
35330STRAINER ASSY, VALVE BODY OIL
main35330-12010i198405-198804
main35330-12011i198804-198804
main35330-20010i198508-198512
main35330-32010i198405-198511
main35330-32020i198512-198804
35339GASKET, OIL STRAINER
main35339-12010i198405-198804
main35339-32010i198508-198804
35409SPRING SUB-ASSY, MANUAL DETENT
main35409-12010i198405-198804
main35409-32020i198405-198804
35410BODY ASSY, TRANSMISSION VALVE
main35410-12100i198405-198410
main35410-12101i198410-198804
main35410-12130i198508-198804
main35410-20080i198605-198804
main35410-20090i198405-198710
main35410-20091i198710-198804
main35410-20110i198605-198710
main35410-20130i198508-198709
main35410-20160i198710-198804
main35410-20180i198709-198804
35412ABODY, MANUAL VALVE
main35412-32010i198405-198804
35418VALVE, MANUAL
main35418-12020i198405-198804
main35418-32010i198405-198804
35423PISTON, B-2 ACCUMULATOR
main35423-20010i198508-198804
main35423-32010i198405-198508
35423ASPRING, COMPRESSION (FOR B-2 ACCUMULATOR PISTON)
main90501-14099i198508-198710
LWR
main90501-14101i198710-198804
LWR
main90501-16111i198710-198804
LWR
main90501-23049i198405-198710
main90501-23062i198405-198710
main90501-25011i198405-198710
main90501-25023i198710-198804
UPR
main90501-26014i198710-198804
main90501-26041i198710-198804
main90501-26044i198508-198804
main90501-26048i198710-198804
UPR
main90501-27006i198405-198601
main90501-28001i198508-198804
35423BRING, O (FOR B-2 ACCUMULATOR PISTON)
main90301-22185i198405-198804
UPR
main90301-29187i198405-198804
LWR
35424CPISTON, C-1 ACCUMULATOR
main35424-20010i198405-198804
main35424-32010i198405-198804
35424DSPRING, COMPRESSION (FOR C-1 ACCUMULATOR PISTON)
main90501-22005i198601-198804
OUTER
main90501-23044i198508-198804
INNER
main90501-23045i198405-198601
OUTER
main90501-23058i198405-198804
OUTER
main90501-23065i198405-198804
INNER
main90501-23079i198508-198804
INNER
35424ERING, O (FOR C-1 ACCUMULATOR PISTON)
main90301-29187i198405-198804
35425APISTON, C-2 ACCUMULATOR
main35421-30020i198405-198601
main35425-12020i198405-198804
main35425-32010i198508-198804
35425BSPRING, COMPRESSION (FOR C-2 ACCUMULATOR PISTON)
main90501-23042i198601-198804
main90501-23055i198405-198804
main90501-23057i198405-198804
main90501-23063i198405-198804
main90501-23076i198508-198804
main90501-24004i198405-198601
main90501-25012i198405-198804
35425CRING, O (FOR C-2 ACCUMULATOR PISTON)
main90301-23194i198405-198601
UPR
main90301-26190i198508-198804
UPR
main90301-29187i198405-198804
LWR
35432PLATE, VALVE BODY, NO.1
main35432-12091i198405-198804
main35432-12100i198508-198804
main35432-20040i198605-198804
main35432-20070i198508-198710
main35432-20090i198508-198804
main35432-20130i198710-198804
35433GASKET, VALVE BODY, NO.1
main35433-12020i198508-198804
main35433-12030i198405-198804
main35433-20030i198405-198804
main35433-20040i198709-198804
main35433-32010i198508-198709
35434GASKET, VALVE BODY, NO.2
main35434-12010i198508-198804
main35434-20010i198405-198804
main35434-20020i198709-198804
main35434-32010i198508-198709
main35434-32020i198405-198804
35474ACOVER, ACCUMULATOR
main35474-12010i198602-198804
main35474-32010i198405-198508
35478GASKET, ACCUMULATOR COVER
main35478-32010i198405-198804
35599COVER, MANUAL DETENT SPRING
main35599-12010i198405-198804
main35599-32010i198405-198804
35844ATUBE, ACCUMULATOR BACK PRESSURE, NO.1
main35844-12010i198405-198512
main35844-12020i198510-198804
main35844-12030i198512-198804
main35844-32011i198508-198804
main35844-32020i198405-198506
main35844-32021i198506-198510
35845TUBE, RR CLUTCH ACCUMULATOR
main35845-12020i198510-198804
main35845-32010i198405-198506
main35845-32011i198506-198510
35846TUBE, BRAKE ACCUMULATOR
main35846-12020i198405-198512
main35846-12030i198510-198804
main35846-12040i198512-198804
main35846-32011i198508-198804
main35846-32020i198405-198506
main35846-32021i198506-198510
35848TUBE, FORWARD CLUTCH ACCUMULATOR
main35848-12010i198405-198512
main35848-12020i198510-198804
main35848-12030i198512-198804
main35848-32010i198405-198506
main35848-32011i198508-198804
35862BRACKET, ACCUMULATOR APPLY TUBE
main35862-12010i198408-198506
main35862-12011i198506-198804
main35862-12020i198512-198804
main35862-32010i198405-198408
main35862-32011i198508-198804

26 parts on this diagram · 15 diagrams in section

VALVE BODY & OIL STRAINER (ATM) — Toyota Parts Diagram with OEM Numbers & Prices | EPC Data