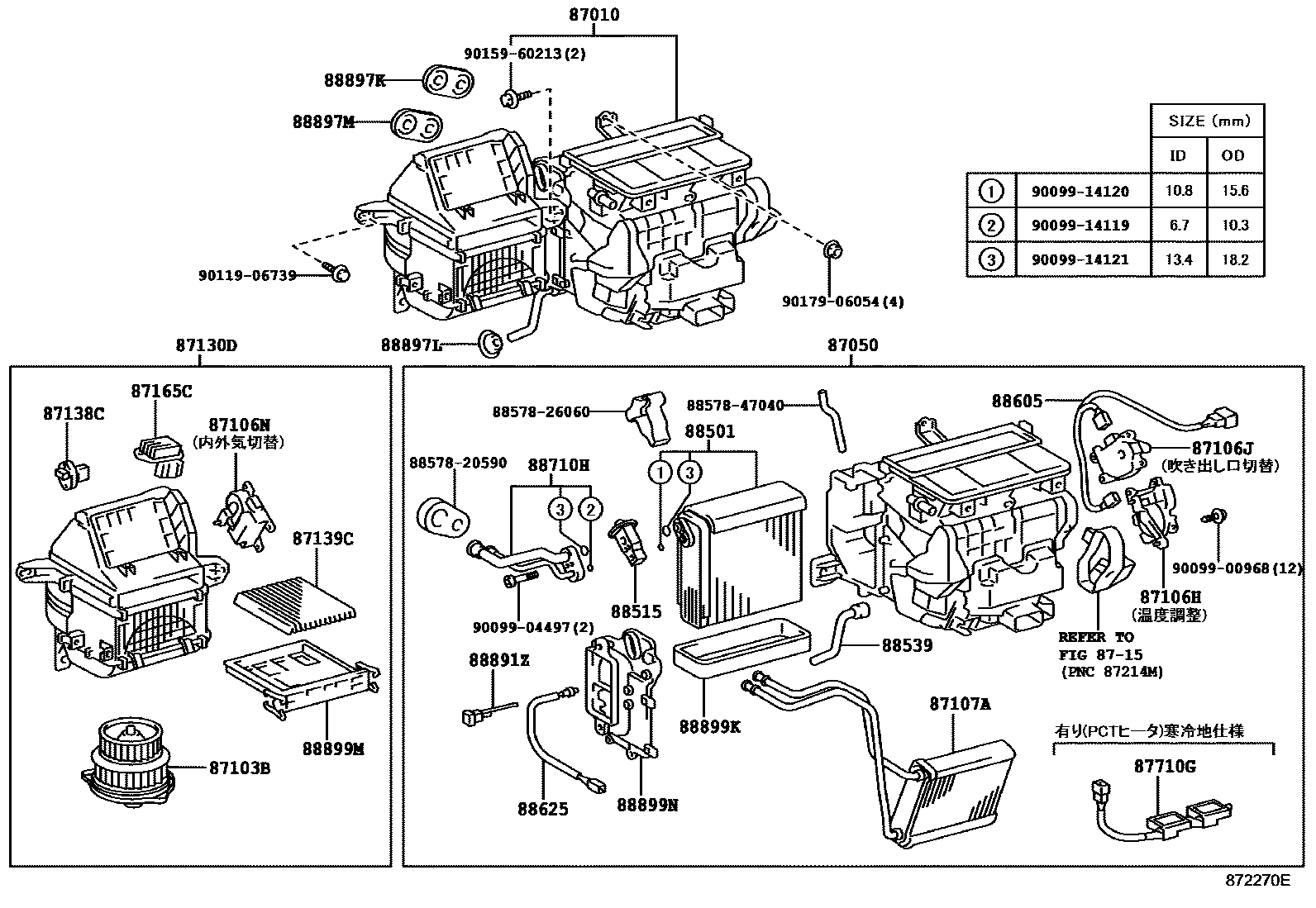
HEATING & AIR CONDITIONING - COOLER UNIT

87050RADIATOR ASSY, AIR CONDITIONER
87103BMOTOR SUB-ASSY, BLOWER W/FAN
87106HSERVO SUB-ASSY, DAMPER(FOR AIRMIX)
87106NSERVO SUB-ASSY, DAMPER(FOR RECIRCULATION)
87107AUNIT SUB-ASSY, HEATER RADIATOR
87138CRESISTOR, BLOWER
8715HEATING & AIR CONDITIONING - CONTROL & AIR DUCT
87165CCONTROL, BLOWER MOTOR
87710GQUICK HEATER ASSY
88501EVAPORATOR SUB-ASSY, COOLER, NO.1
88539HOSE, COOLER UNIT DRAIN, NO.1
88605HARNESS SUB-ASSY, COOLER WIRING, NO.1
88710HTUBE & ACCESSORY ASSY, AIR CONDITIONER
88891ZBRACKET, COOLER THERMISTOR
88897KGROMMET, (FOR COOLER PIPE)
88897LGROMMET (FOR DRAIN HOSE)
88897MGROMMET (FOR HEATER PIPE)
88899KPLATE, COVER
88899MPLATE, COVER(FOR AIR FILTER)
88899NPLATE, COVER
8857820590PAKING, COOLER AIR DUCT
main88578-20590
8857826060PAKING, COOLER AIR DUCT
main88578-26060
8857847040PAKING, COOLER AIR DUCT
main88578-47040
9009900968
main90099-00968
9009904497
main90099-04497
9009914119
main90099-14119
9009914120
main90099-14120
9009914121
main90099-14121
9011906739
main90119-06739
9015960213
main90159-60213
9017906054
main90179-06054
37 parts on this diagram · 2 diagrams in section