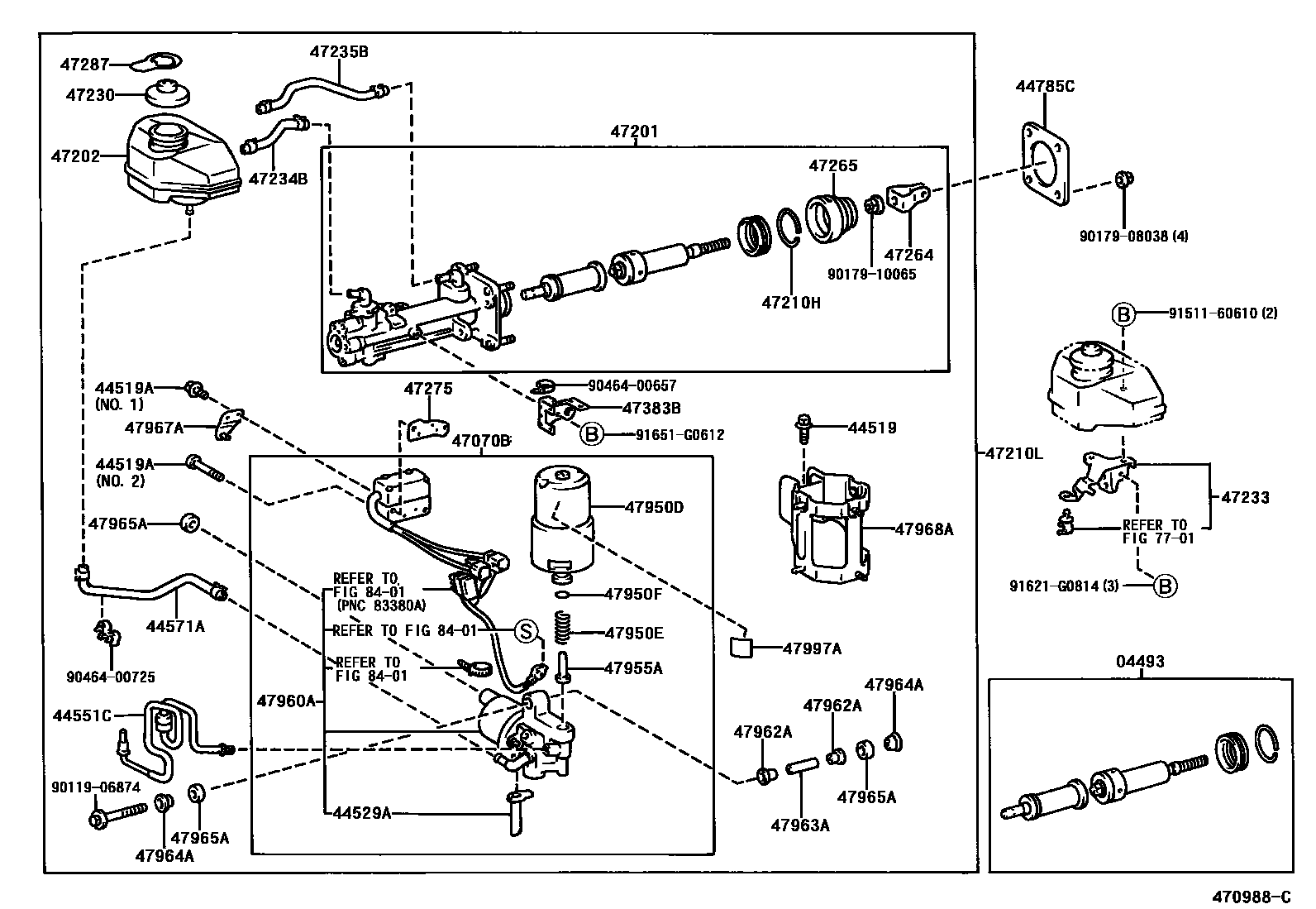
BRAKE MASTER CYLINDER

04493CYLINDER KIT, BRAKE MASTER
44519BOLT, BRAKE ACTUATOR
44529AHOSE, BRAKE ACTUATOR BREATHER
44551CTUBE, BRAKE ACTUATOR, NO.1
44571AHOSE, BRAKE ACTUATOR, NO.1
44785CGASKET, BRAKE BOOSTER
47070BPUMP ASSY, BRAKE BOOSTER W/ACCUMULATOR
47201CYLINDER SUB-ASSY, BRAKE MASTER
47202RESERVOIR SUB-ASSY, BRAKE MASTER CYLINDER
47210HRING, SNAP(FOR BRAKE MASTER CYLINDER)
47210LBRAKE BOOSTER ASSY, W/MASTER CYLINDER
47230CAP ASSY, BRAKE MASTER CYLINDER RESERVOIR FILLER
47234BTUBE, RESERVOIR, NO.1
47235BTUBE, BRAKE MASTER CYRINDER RESERVOIR, NO.2
47264CLEVIS, MASTER CYLINDER PUSH ROD
47265BOOT, MASTER CYLINDER
47275GASKET, BRAKE MASTER CYLINDER
47287LABEL, BRAKE FLUID INFORMATION
47383BBRACKET, CONNECTOR
47950DACCUMULATOR ASSY, BRAKE BOOSTER
47950ESPRING, COMPRESSION(FOR BRAKE BOOSTER ACCUMULATOR)
47950FRING, O(FOR BRAKE BOOSTER ACCUMULATOR)
47955APIPE, BRAKE BOOSTER ACCUMULATOR
47960APUMP ASSY, BRAKE BOOSTER
47962ACOLLAR, BRAKE BOOSTER PUMP
47963ASHAFT, BRAKE BOOSTER PUMP
47964AWASHER, BRAKE BOOSTER PUMP
47965ABUSH, BRAKE BOOSTER PUMP
47967ABRACKET, BRAKE BOOSTER PUMP, NO.1
47968ABRACKET, BRAKE BOOSTER PUMP, NO.2
7701FUEL TANK & TUBE
8401SWITCH & RELAY & COMPUTER
9011906874
main90119-06874
9017908038
main90179-08038
9017910065
main90179-10065
9046400657
main90464-00657
9046400725
main90464-00725
9151160610
main91511-60610
91621G0814
main91621-G0814
91651G0612
main91651-G0612
43 parts on this diagram · 2 diagrams in section