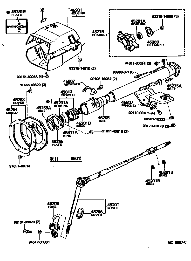
STEERING COLUMN & SHAFT

45201SHAFT SUB-ASSY, STEERING MAIN
RIGID STRG
COLLAPSIBLE STRG
W/PS
W/TILT STRG,W/TILT STRG & PS
45201ABEARING(FOR STEERING MAIN SHAFT)
UPR,W/TILT STEERING
CTR,W/TILT STEERING
LWR
45201BRING, SHAFT SNAP(FOR STEERING MAIN SHAFT)
45201DRING(FOR STEERING MAIN SHAFT)
45205TUBE SUB-ASSY, STEERING COLUMN
RIGID STEERING
ROAD RUNNER; W/TILT STEERING
COLLAPSIBLE STEERING
45209YOKE SUB-ASSY, STEERING SLIDING
W/POWER STEERING
main45209-32010iAA6#,CA60,SA60,TA63..SED..(DLX,GT,GTT,SG,ST,STD); AA6#,SA60,TA63..CP,WG198305-198804
45253COVER, STEERING COLUMN HOLE
45254SHIELD, STEERING COLUMN HOLE
45255PLATE, STEERING COLUMN HOLE COVER
45255AGROMMET OR RING, O(FOR STEERING COLUMN CLAMP)
45266COVER, STEERING INTERMEDIATE SHAFT DUST
45269RETAINER, MAIN SHAFT BEARING
45275BRACKET, STEERING COLUMN, UPPER
W/TILT STEERING
W/TILT STEERING
45275ABOLT, HEXAGON(FOR STEERING COLUMN BRACKET)
W/TILT STEERING
45281HOUSING, STEERING COLUMN
BLACK,W/TILT STEERING,BLACK,TRIM2#
BLUE,W/TILT STEERING,BLUE,TRIM8#; BLUE,W/TILT,ROAD RUNNER,BLUE,TRIM8#
DARK BROWN,W/TILT STEERING,BROWN,TRIM4#
BLUE,W/TILT STEERING,BLUE,TRIM8#
BLACK,BLACK,TRIM2#
BLUE,BLUE,TRIM8#
DARK BROWN,BROWN,TRIM4#
BLUE,BLUE,TRIM8#
45281EPLATE, SAFETY CAUTION
45807BRACKET SUB-ASSY, STEERING COLUMN UPPER SUPPORT
ROAD RUNNER; W/TILT STEERING
45817STOPPER, STEERING SHAFT THRUST
45817ARING, O(FOR STEERING SHAFT THRUST STOPPER)
45867RETAINER, STEERING MAIN SHAFT STOPPER
9010108070
main90101-08070
9010510082
main90105-10082
9011908185
main90119-08185
9016450048
main90164-50048
9017910178
main90179-10178
9020110323
main90201-10323
9098007195
main90980-07195
9161140816
main91611-40816
9161160614
main91611-60614
9165140614
main91651-40614
9165640620
main91656-40620
9331514010
main93315-14010
9331914008
main93319-14008
9451200800
main94512-00800
34 parts on this diagram · 4 diagrams in section