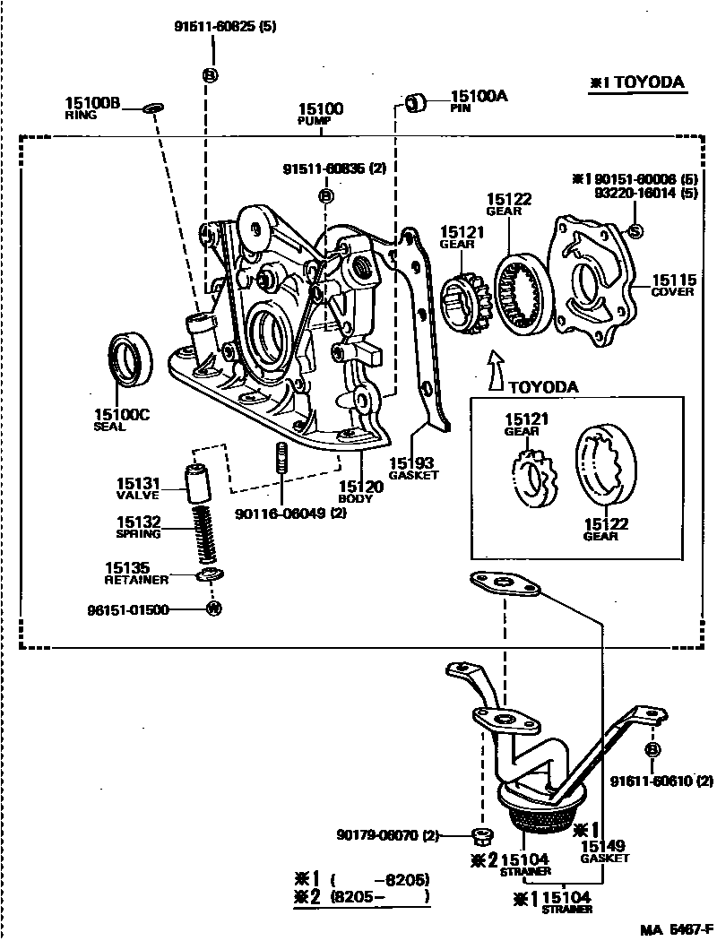
ENGINE OIL PUMP

15100PUMP ASSY, OIL
15100APIN, RING(FOR OIL PUMP SET)
15100BRING, O(FOR OIL PUMP)
15100CSEAL(FOR OIL PUMP)
15104STRAINER SUB-ASSY, OIL
15115COVER, OIL PUMP
AISIN
AISIN
TOYODA
15120BODY SUB-ASSY, OIL PUMP
AISIN
TOYODA
AISIN
15121GEAR, OIL PUMP DRIVE
AISIN
TOYODA
15122GEAR, OIL PUMP DRIVEN
AISIN
TOYODA
15131VALVE, OIL PUMP RELIEF
TOYODA
AISIN
15132SPRING, OIL PUMP RELIEF VALVE
TOYODA
main15132-40010i12TJ,2TGEU,3T#..TA6#; 18RGEU..RA63; 1SU..SA60; 3AU,4AGEU..AA6#; 5KJ..KA67198109-198804
AISIN
15135RETAINER, OIL PUMP RELIEF VALVE
AISIN
TOYODA
15149GASKET, OIL STRAINER FLANGE
15193GASKET, OIL PUMP
9011606049
main90116-06049
9015160006
main90151-60006
9017906070
main90179-06070
9151160825
main91511-60825
9151160835
main91511-60835
9161160610
main91611-60610
9322016014
main93220-16014
9615101500
main96151-01500
22 parts on this diagram · 10 diagrams in section