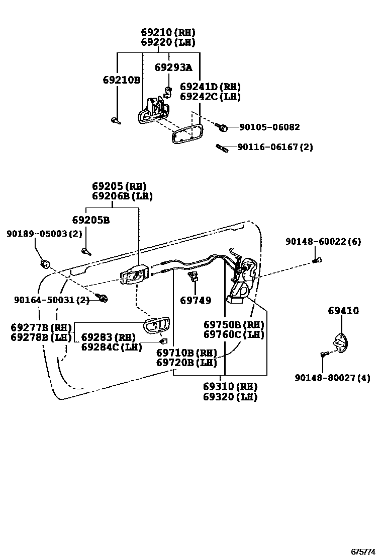
FRONT DOOR LOCK & HANDLE

69205HANDLE SUB-ASSY, FRONT DOOR INSIDE, RH
BLACK,TRIM2#,3#,5#
BLACK,TRIM2#,3#,4#,5#
BLACK,TRIM1#,2#,3#,4#
69205BCUSHION(FOR FRONT DOOR INSIDE HANDLE)
69206BHANDLE SUB-ASSY, FRONT DOOR INSIDE, LH
BLACK,TRIM2#,3#,5#
BLACK,TRIM2#,3#,4#,5#
BLACK,TRIM1#,2#,3#,4#
69210HANDLE ASSY, FRONT DOOR, OUTSIDE RH
69210BCUSHION(FOR FRONT DOOR OUTSIDE HANDLE)
69220HANDLE ASSY, FRONT DOOR OUTSIDE, LH
69241DPAD, FRONT DOOR OUTSIDE HANDLE, RH
69242CPAD, FRONT DOOR OUTSIDE HANDLE, LH
69277BBEZEL, FRONT DOOR INSIDE HANDLE, RH
69278BBEZEL, FRONT DOOR INSIDE HANDLE, LH
69283PLUG, FRONT DOOR INSIDE HANDLE BEZEL, RH
69284CPLUG, FRONT DOOR INSIDE HANDLE BEZEL, LH
69293ASNAP, FRONT DOOR OUTSIDE HANDLE
69410PLATE ASSY, FRONT DOOR LOCK STRIKER
69710BCABLE ASSY, FRONT DOOR LOCK REMOTE CONTROL, RH
69720BCABLE ASSY, FRONT DOOR LOCK REMOTE CONTROL, LH
69749CLAMP, FRONT DOOR LOCK LINK
69750BLINK ASSY, FRONT DOOR INSIDE LOCKING, RH
69760CCABLE ASSY, FRONT DOOR INSIDE LOCKING LH
9010506082
main90105-06082
9011606167
main90116-06167
9014860022
main90148-60022
9014880027
main90148-80027
9016450031
main90164-50031
9018905003
main90189-05003
27 parts on this diagram · 1 diagram in section