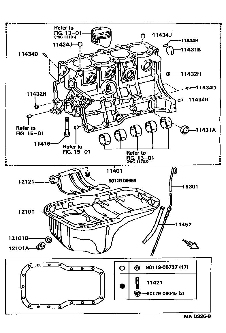
CYLINDER BLOCK

11416BOLT(FOR CRANKSHAFT BEARING CAP SET)
11421BOLT, STUD(FOR OIL PAN)
11431APLUG, TIGHT, NO.1(FOR CYLINDER BLOCK)
11431BPLUG, TIGHT, NO.2(FOR CYLINDER BLOCK)
11432HPLUG, W/HEAD TAPER SCREW, NO.5
11434BPIN, STRAIGHT(FOR CLUTCH HOUSING SET)
11434DPIN, STRAIGHT(FOR ENGINE REAR OIL SEAL)
11434JPIN, RING (FOR CYLINDER HEAD SET)
11452GUIDE, OIL LEVEL GAGE
12101PAN SUB-ASSY, OIL
1301
1501
15301GAGE SUB-ASSY, OIL LEVEL
9011906684
main90119-06684
9011906727
main90119-06727
9017906045
main90179-06045
20 parts on this diagram · 5 diagrams in section