E
EPC Data

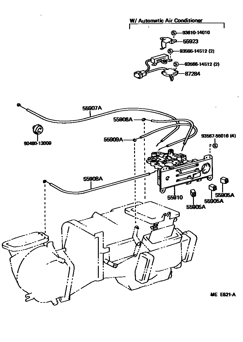
HEATING & AIR CONDITIONING - CONTROL & AIR DUCT

Parts diagram
55905AKNOB, HEATER CONTROL
main55905-17010i198803-198912
A/C
main55905-17020i198803-198912
ECON
main55905-89110×3i198406-198608
55906ACABLE SUB-ASSY, DEFROSTER DAMPER CONTROL
main55906-17010i198406-198608
55907ACABLE SUB-ASSY, WATER VALVE CONTROL
main55907-17010i198406-198608
main55907-17011i198608-198912
55908ACABLE SUB-ASSY, AIR INLET DAMPER CONTROL
main55908-17010i198406-198608
55909ACABLE SUB-ASSY, AIRMIX DAMPER CONTROL
main55909-17010i198406-198608
main55909-17011i198608-198912
55910CONTROL ASSY, HEATER OR BOOST VENTILATOR
main55910-17010i198406-198608
main55910-17030i198608-198912
main55910-17040i198608-198912
55923RETAINER, HEATER CONTROL, UPPER
main55923-17010i198406-198608
87284RESISTOR SUB-ASSY, VARIABLE
main88032-17011i198608-198912
main88032-17030i198406-198608
9048013009
9356614512
9356755016
9361014010

12 parts on this diagram · 4 diagrams in section

HEATING & AIR CONDITIONING - CONTROL & AIR DUCT — Toyota Parts Diagram with OEM Numbers & Prices | EPC Data