HEATING & AIR CONDITIONING - HEATER UNIT & BLOWER

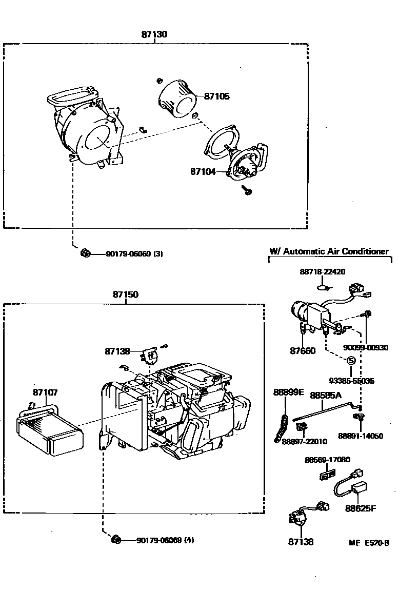
87104MOTOR SUB-ASSY, HEATER BLOWER
87105FAN SUB-ASSY, HEATER BLOWER
87107UNIT SUB-ASSY, HEATER RADIATOR
COLD SPEC
87138RESISTOR, HEATER BLOWER
W/*AAC
W/*AAC
W/*AAC
87150RADIATOR ASSY, HEATER
COLD SPEC
87660SERVO ASSY, AIR CONDITIONER
W/*AAC,AIR MIX
88585ASHAFT, HEATER AIR DAMPER
88625FSENSOR, TEMPERATURE
88899EPLATE, HEATER AIR DAMPER SHAFT
8856917080CLAMP (FOR COOLER RELAY)
main88569-17080
8869722010COLLAR (FOR BLOWER DRIVE SHAFT)
main88697-22010
8871822420PIPE, COOLER REFRIGERANT SUCTION, NO.2
main88718-22420
8889114050PACKING (FOR COOLER)
main88891-14050
9009900930
main90099-00930
9017906069
main90179-06069
9338555035
main93385-55035
17 parts on this diagram · 2 diagrams in section