E
EPC Data

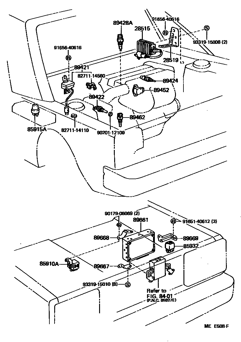
ELECTRONIC FUEL INJECTION SYSTEM

Parts diagram
28515RESISTOR, SOLENOID
main28515-11010i198709-198912
28519BRACKET, SOLENOID RESISTOR
main28519-16020i198608-198709
8401SWITCH & RELAY & COMPUTER
85910ARELAY ASSY, CIRCUIT OPENING (FOR EFI)
main85910-12010i198709-198912
main85910-17010i198406-198608
main85910-30050i198608-198709
85915ARELAY, MAIN
main90987-02004i198406-198912
85932RELAY, SUPERCHARGER
main85932-30010i198608-198912
89421SENSOR ASSY, VACUUM (FOR E.F.I.)
main89420-17010i198608-198912
main89421-17010i198406-198608
89422SENSOR, WATER TEMPERATURE (FOR E.F.I.)
main89422-20010i198808-198912
main89422-30020i198406-198808
89424SENSOR, INLET AIR TEMPERATURE (FOR E.F.I.)
main89424-12010i198709-198912
main89424-28010i198406-198709
89428ASWITCH, WATER TEMPERATURE (FOR E.F.I)
main89428-28030i198608-198709
89452SENSOR, THROTTLE POSITION (FOR E.F.I.)
main89452-12040i198803-198903
main89452-12050i198709-198803
AISIN
main89452-20050i198608-198912
main89452-20070i198608-198709
main89452-28010i198406-198608
89462SWITCH, START INJECTOR TIME
main89462-20030i198808-198912
main89462-30011i198406-198808
89661COMPUTER, ENGINE CONTROL
main89661-17010i198406-198608
main89661-17060i198608-198709
main89661-17090i198608-198702
main89661-17091i198702-198709
main89661-17160i198709-198809
main89661-17161i198809-198810
main89661-17162i198904-198912
main89661-17180i198709-198805
main89661-17210i198810-198904
main89661-17211i198904-198912
main89661-17220i198805-198912
main89661-17230i198805-198912
89667BRACKET, ENGINE CONTROL COMPUTER
main89667-17010i198406-198608
main89667-17020i198608-198912
89668BRACKET, ENGINE CONTROL COMPUTER, NO.2
main89668-17010i198406-198608
main89668-17030i198608-198912
89669BRACKET, ENGINE CONTROL COMPUTER, NO.3
main89669-17010i198406-198608
main89669-17030i198608-198912
main89669-17040i198608-198912
8271114110WIRE, FUSE TO FUSE(FOR COMBUSTION HEATER)
8271114560WIRE, FUSE TO FUSE(FOR COMBUSTION HEATER)
9017906069
9020112109
9165140612
9165640616
9331915008
9331915010

24 parts on this diagram · 1 diagram in section

ELECTRONIC FUEL INJECTION SYSTEM — Toyota Parts Diagram with OEM Numbers & Prices | EPC Data