E
EPC Data
Pricing
API Docs
Sign In
Home
›
JP
›
211110
›
STANDARD TOOL
STANDARD TOOL
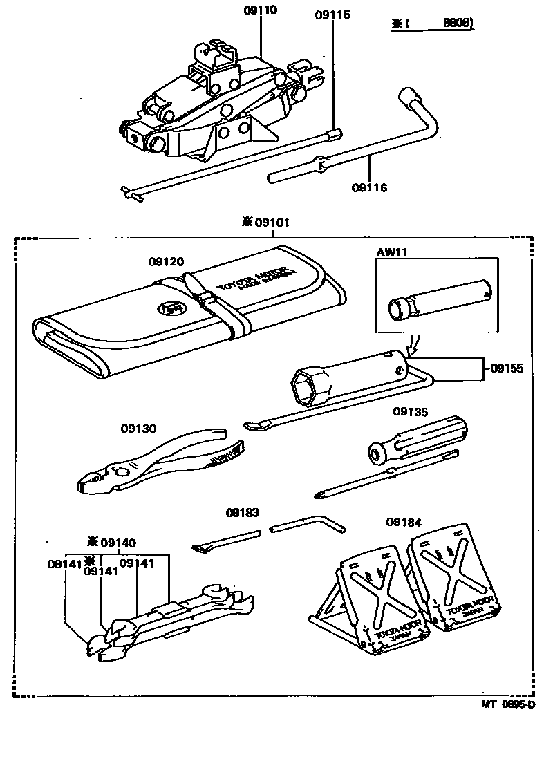
09101
TOOL SET, STANDARD W/O JACK
main
09102-12071
i
AW10
198406-198608
main
09102-12076
i
AW11
198406-198608
09110
JACK ASSY
main
09111-17010
i
AW1#
198602-198912
sub
09111-22H00
main
09118-17010
i
AW1#
198406-198602
sub
09111-17010
09115
ROD SUB-ASSY, JACK HANDLE
main
09115-32010
i
AW1#
198406-198912
09116
LEVER, JACK HANDLE
main
09116-16010
i
AW1#
198406-198608
main
09116-17010
i
AW1#
198608-198912
09120
BAG, TOOL
main
09120-10030
i
AW1#
198608-198609
main
09120-12011
i
AW1#
198406-198912
09130
PLIERS
main
99913-11500
i
AW1#
198406-198912
09135
DRIVER, SCREW
main
99915-10700
i
AW1#
198406-198912
09140
SPANNER SET
main
09140-12011
i
AW1#
198406-198608
09141
SPANNER
main
99914-10810
i
AW1#
198803-198912
main
99914-10810
i
AW1#
198406-198803
main
99914-11012
i
AW1#
198406-198608
main
99914-11214
i
AW1#
198803-198912
main
99914-11214
i
AW1#
198608-198803
main
99914-11417
i
AW1#
198406-198608
09155
WRENCH, SPARK PLUG
main
09155-00130
i
AW11
198406-198608
main
09155-41020
i
AW10
198406-198912
09183
WRENCH, WHEEL CAP
main
09183-00010
i
AW1#
198608-198912
09184
STOPPER, WHEEL
main
09184-00010
i
AW1#
198406-198912
12 parts on this diagram · 1 diagram in section
STANDARD TOOL — Toyota Parts Diagram with OEM Numbers & Prices | EPC Data